| 网站首页 | 电源技术 | 电源资料 | 电源论坛 | 电源电路 | 电源人才 | 电源供求 | 留言本站 | 繁體中文 | 
[ ] 文章搜索:
您现在的位置: 电源开发网 >> 电源技术 >> 线路仿真 >> Saber仿真 >> 正文
级联型逆变器的电流SPWM控制方法
http://www.dykf.com  2009-2-21  电源开发网           ★★★

Abstract:Each cell of traditional cascaded inverter is accordant, so the number of output voltage levels will be limited. The power quality of the cascaded multilevel may be greatly improved through utilization of different dc voltages on each cell.The correctness of analysis is verified by experiment.

Keyword:Cascaded inverter; Multilevel; Current control

引言
  级联型逆变器由于输出波形好、开关器件应力小、功率容量大、易于扩展,而且不存在其它多电平拓扑的输入电容电压均压问题等优点,在电力变换和有源滤波方面得到了广泛应用[1]。
同时,对每台级联单元采用不同的输入直流电压,可以增加级联逆变器输出电压的电平数,从而可以减少输出电压的谐波,提高了输出波形的正弦度。本文以两台逆变器单元级联为例,分别对输入电压相等和不等的两种情况下,级联逆变器输出波形的谐波、开关频率等性能进行了分析比较。


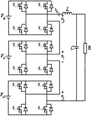
1.级联型逆变器输出电平与每台级联单元输入电压的关系
  对于一个由m个逆变器单元级联而成的级联型逆变器而言,如图1所示,若每台逆变单元的输入直流电压相等,则可以输出电平数为2m+1的电压波形[2],就级联型H桥逆变器而言,通过采用每台级联单元输入直流不等的方法,可以提高输出电平的数目,从而可以大大地提高输出波形的质量。
  如果每台逆变单元的输入直流电压之间的变比满足:


  其中,
表示第i个级联单元能够输出的电平数,那么,整个级联型逆变器的输出电平将达到最大值,即
例如两台级联的逆变器,若满足Vc1=3Vc2,将输出最多电平为9的电压波形,但同时须注意输出极性和总输出电压极性相反的级联单元,其电源应具备能接受灌电流的能力[3[[4],对于不能接收灌电流的电源装置或设备,如燃料电池等,应采取降低每台级联单元输入电压的变比,使每台级联单元的输出极性与总输出电压的极性相一致,这样会使级联型逆变器的输出电平数会相应地减少,但仍然具有较好的波形质量。所以通常采让每台直流电源的电压之间的变比符合2的指数方的关系,即Vc1=2Vc2=22Vc3=。。。=2m-1Vcm,这样级联型逆变器输出的电平为


图1 级联型逆变器的结构图



2.级联型逆变器的控制方法

2.1 级联型逆变器的SHPWM控制
  对于级联型多电平的实现,本文采取了Carrara提出的消谐波PWM控制(Subharmonic PWM),简称SHPWM控制,如图2,对于一个N电平逆变器,有N-1个相同频率,相同峰峰值的三角载波与一个共同的正弦参考波交截,为了使N-1个三角载波所占的区域是连续的,它们在空间上是紧密相连且整个载波带对称分布于零参考的正负两侧[7]。正弦参考波连续地与三角载波进行比较,当参考波比三角载波高时,则开通相应的开关管,反之则关断相应的开关管。

图2 SHPWM控制PWM信号的形成

  以两台单元级联为例,当两台级联单元的输入直流电压相等,即Vc1=Vc2时,可以输出五电平的电压波形,这样就需要4个三角载波;而当两台级联单元的输入电压不等,且满足Vc1=2Vc2时,可以输出七个电平的输出电压,此时则需要六个三角载波与参考波交截,虽然此时输出电压没有达到最大的电平数,但每台级联单元的电源都不接受灌电流。对应于每个载波带的具体开关组合详见表1。

2.2 级联型逆变器的双闭环控制
  图3为电压电流双闭环瞬时值控制逆变器的结构图。输出电压和基准正弦波
的瞬时值误差形成调节信号,通过
调节后作为电流基准
电流内环由电流基准
和滤波电感电流比较产生的电流误差信号,再与载波三角波交截后产生SPWM开关信号。电压瞬时值外环可以保证逆变器在各种负载情况下均具有良好的输出波形,而内环采用电感电流反馈具有有良好的抗短路能力。


图3 电压电流双闭环瞬时值控制逆变器的结构图



3.仿真与实验结果
  为了比较级联型逆变器在每台输入直流电压相等和不等的两种情况下,输出波形的电平数、谐波、THD(Total Harmonic Distortion)等性能的好坏,我们分别建立了两台级联单元的级联型逆变器的仿真模型和实验原理样机,具体参数为:输出电压为115V/400Hz,开关频率为18KHz,输入电压分为两种情况,一种是Vc1=Vc2=90V,另一种是Vc1=2Vc2=120V,滤波电感为260uH,滤波电容为10uF。运用Saber软件对这两种输入电压情况进行仿真,得到系统空载时的稳态输出电压仿真波形如图4、图5,相应的实验波形如图6、图7。其中vo1、vo分别表示滤波前、后的输出电压。当Vc1=Vc2=90V时,滤波前后的输出电压THD分别为35%;而当Vc1=2Vc2=120V时,滤波前后的输出电压THD分别为26%,可见,后一种情况下,输出电压随着电平数的增加,谐波减小到原来的74%。经过比较,实验波形与仿真波形基本一致。

图4 输入电压相等时的仿真输出电压波形

  同时从图5中还可以看出,级联型逆变器输出电平在60V到120V之间相互转换时,会产生一个

图5 输入电压不等时的仿真输出电压波形

 

图6 输入电压相等时的实验输出电压波形 图7 输入电压不等时的实验输出电压波形

过渡电平(0或180V),经过分析,是因为死区的原因产生的,如图1所示,当级联总输出vo=60V时,即v2=0,v3=60V,对应功率管S21,S23,S31,S34导通,当输出电平从此时的60V转变到120V,即v2=120V,v3=0时,S23,S34关断,由于死区时间,S24,S33不能立即导通,如果此时电感电流iL>0,iL将通过S23,S33的体二极管续流,使得v2=v3=0,所以出现了vo=0V的过渡电平,当死区时间过后,S24,S33导通,vo=120V。同样当iL<0时,会出现vo=180V的过渡电平。这种过渡电平使得电感两端的电压变化幅度增大,从而导致电感电流与基准电流的误差变大,所以输出电压的THD略微增大。所以如果能加上死区补偿电路,输出电压的谐波会更少,波形质量会更好。


4.结论
  通过选择不同的级联单元输入电压,可以输出更多的电平数,使输出波形谐波更少、更接近正弦波,从而提高逆变器的性能。


参考文献
[1] Bum-Seok Suh,Gautam Sinha,Madhav D. Manjrekar and Thomas A. Lipo. Optimization of Electrical and Electronic Equipments,Brasov,1998
[2] Keith Corzine,Yakov Familiant, A New Cascaded Multilevel H-Bridge Drive,IEEE trans on Power Electronics,VOL.17, NO.1,January 2002.
[3] 单晓庆等,级联型逆变器的新进展,电工技术学报,VOL.19,NO.2,Feb 2004.
[4] Madhav D.Manjrekar, Thomas A.Lipo, A hybrid multilevel inverter topology for drive applications.in Proc. IEEE Appli. Power Electron. Conf., Anaheim, CA, Feb.1998, pp.523-529
来源:《电源世界》  作者:纪峰  肖…  点击:  录入:admin
收藏此页】【字体: 】【打印此文】【关闭窗口
※相关链接※
网友评论:(只显示最新10条。评论内容只代表网友观点,与本站立场无关!) 发表评论
专 题 栏 目
推 荐 图 书
热 门 文 章
热 门 下 载
热 门 电 路
论 坛 推 荐
精 彩 广 告

关于本站 - 广告服务 - 联系我们 - 版权申明 - 网站地图 - RSS订阅 - 友情链接 - -
Copyright@2004-2014 ◆电源开发网◆ All Rights Reserved