串联堆积式多电平变换器运行特性的实验研究
刘学超,张波
(华南理工大学,广东广州510640)
1 前言
随着电力电子技术的不断发展,对电能变换装置的要求越来越高。近年来,多电平技术在电力电子的应用中得到了广泛的重视。它可以用于整流、逆变以及直流斩波等多种能量变换电路中。归纳起来,多电平主要有以下几方面特点:
1)在整流或逆变电路中,采用多电平技术可以使输入或输出电流近似正弦波,大大减小了谐波污染,提高了功率因数;
2)多电平的引入可以使开关器件的电压额定值成倍减低,使低压开关管能够应用于高压场合中;
3)箝位多电平技术可以实现稳态和动态时均衡分压,并且限制dv/dt,抑制电磁干扰影响;
4)在DC/DC变换中可以将准谐振软开关与多电平技术相结合,减小开关损耗,提高效率;
5)多电平技术使变换器模块化成为可能,提高额定容量,增加冗余。
基于以上特点,多电平技术未来将会在电力电子技术的发展中起到重要作用。以下将在比较研究串级式多电平(cascade multi-level)、箝位二极管式多电平(diode clamp multi-level)和串联堆积式多电(series-stacked multi-level)三种变换器的拓扑结构、工作原理和控制方式基础上,对串联堆积式多电平变换器工作特性进行实验研究。
2 三种多电平变换器分析比较
2.1 串级式多电平变换器
串级式多电平变换器如图1所示,是将多个功率变换器模块串联后直接给负载供电。
从图1可见,串级式多电平结构简单,串联的每个功率变换器仅向负载提供一部分电压,从而即提高了输出电压等级,并且可以使变换器产生多级电平输出。在控制过程中,它不需要对各模块内部进行控制调节,而由主输出闭环控制器对模块工作进行监控。
图1 串级式多电平变换器
该电路拓扑的一个重要特点是它需要多级隔离母线,因而适用于如蓄电池等输入隔离的电源场合,一般用于低频(电源基频)变换中。
2.2 箝位二极管式多电平变换器
图2为一典型的箝位二极管式多电平变换器拓扑。箝位二极管式多电平变换器是直接在高压直流电源侧并联多级串联电容及箝位二极管来减小功率开关管的电压应力。
图2 箝位二极管式五电平变换器拓扑
该种变换器非常适合于三相功率因数校正电路,因为这时电路直流侧Vdc的电压一般为750~800V,甚至达到1000V。这就要求大幅度地提高PFC后级直流变换器电压额定值,成本大幅度地上升。串级式多电平变换器拓扑就可根据已有的开关器件,成倍地减小开关电压应力,例如原来必须采用1000V开关器件的,现在三电平变换器拓扑后只须500V开关管就足够了,降低了成本,满足了实际需要。因此目前,在中高电压大功率DC/DC变换器中,主要采用三电平变换器拓扑。
但该种变换器在高于三电平时,电路拓扑及控制较复杂。
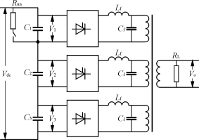
2.3 串联堆积式多电平变换器
串联堆积式多电平变换器如图3所示,它可以看做串级式多电平变换器和箝位二极管式多电平变换器的组合,即利用后者直流高压电源侧并联多级串联电容降低各输入变换器电压应力,又利用前者多个功率变换器模块串联来产生多级电平输出,因而兼有两者的优点,所不同之处在于它的各变换器模块之间需通过变压器耦合后再对负载供电。
图3 串联堆积多电平变换器
此拓扑结构一般采用了分散逻辑控制方法[1]。与多级串级式多电平变换器相比,无须利用多光纤来传送驱动信号和状态反馈信号以及为减少各模块之间的共模电压干扰对被测各模块的电压和电流进行隔离。在分散控制中,仅需一条光纤传送驱动信号和状态反馈信号,每一模块可以现场检测电压和电流,减小了模块之间的共模电压干扰。因此提高了系统的可靠性。
3 串联堆积式多电平变换器实验研究
实验电路是一台单相串联堆积式三电平逆变器,如图4所示。实验电路主要参数如表1所列。
表1 实验电路主要参数
| Cf
| 150μF
|
| C1、C2、C3
| 13.2×103μF
|
| Lf
| 300μH
|
| Vdc
| 300V
|
| Run
| 18Ω |
图4 三电平串联堆积式逆变器
外加电阻Run接在第一级电平母线上,通过这个外加电阻的开或合来模拟三电平逆变器输入直流母线电压的不平衡。图5是测试得到的三电平电压(V1、V2和V3)和输出交流电压(Vo),从图5中可以看到,输出交流电压Vo有效值即使在母线不平衡条件下仍能保持恒定,具有较好的自平衡、自稳定瞬态响应能力。三电平母线电压经过大约500ms将达到新的平衡,新平衡母线电压值比原来起始母线电压值低约25V。

图5 逆变器自平衡波形
如果再引入一个简单的外环控制将进一步降低逆变器的自平衡响应时间。这个外环控制采用比例控制,将各模块变换器电压与母线之间电压差比较输出。图6是加入外环控制后的测试结果。从图6中可以看到,经过20ms母线上各电压即可达到新的平衡,比不加外环控制时平衡时间缩短了约25倍。因此,经过对控制系统的优化,此串联堆积三电平逆变器的自平衡能力将得到有效的改善。
图6 带外环控制逆变器自平衡波形
以上研究表明,串联堆积式多电平变换器由于固有自平衡、自稳定以及功率开关电压应力低等特点,使它能广泛地应用于高电压变换器中,是大功率高电压输入模块变换器的良好解决方案。
4 结语
本文分析比较了三种多电平变换器。经过对它们各自特点的研究,将使多电平技术能更好地应用于电力电子变换器的设计中。可以预见,基于多电平的鲜明特点,它将在今后变换器设计中起到越来越重要的作用。最后,值得一提的是,高于三电平的多电平控制技术还有待于进一步研究。