1 概述
本文给出ST公司2003年新推出的开关电源IC产品STSR3应用电路分析。它是反激变换器副边同步整流控制器,具有数字控制的智能IC驱动器。采用STSR3作同步整流控制芯片的反激变换器基本电路简化结构见图1。STSR3的内部功能方框见图2,其引脚排列见图3。
图1 STSR3典型应用电路简化示意图
图2 STSR3内部功能方框图
图3 STSR3各引脚排列图
STSR3智能驱动器IC可提供大电流输出,以正常地驱动副边的功率MOSFET,使之作为大电流输出的高效率反激变换器中的同步整流器。根据取自隔离变压器副边的一个同步时钟输入,IC产生一个驱动信号,它具有与原边PWM信号相关的死区时间设置。
在原边开关导通时,IC的工作可防止副边发生错误状态,它提供预期的输出截止状态。这个智能的功能实现了快速的逐周逻辑控制机制,它是建立在高频振荡器由时钟脉冲信号来同步。该项预置可由IC外部元件来调节。
经传感检测同步整流器的源极—漏极电压脉冲。这个特殊的禁止功能可以关闭驱动输出,因此当有必要时即刻关掉它。该特性使电源能工作在非连续导通模式下,及避免与变换器并联工作的同步整流器反向导通。
STSR3允许开关电源工作在非连续模式PWM,连续模式PWM,以及在准谐振状态的反激变换器,均能实现同步整流任务。
STSR3的封装如图3所示的SO-8片状部件,各引脚的符号与功能概述如下:
脚1 N/C,它并不接内电路;
脚2 VCC,供电输入4~5.5V;
脚3 SETANT,设置预期的关断输出;
脚4 CK,为IC工作的同步信号;
脚5 INHIBT,接非连续模式检测器;
脚6 SGLGND,所有控制逻辑信号的基准地线;
脚7 OUTGATE,输出去MOSFET栅极驱动;
脚8 PWRGND,功率信号的基准地电平。
2 STSR3的应用电路分析
STSR3同步整流器控制器具体应用于一种90W笔记本电脑稳压电源的实际电路见图4,其直流输出为+19V,4.74A。开关电源是反激式变换器,原边主芯片采用复合PFC/PWM新品CM6805。图4中给出了详细的阻容数值。下面分别介绍STSR3在电路设计上的一些特点。
图4 采用STSR3作副边同步整流控制器的实际应用电路图之一
2.1 IC供电Vcc和欠压闭锁输出
STSR3的Vcc供电范围是4~5.5V,其内部有一个齐纳二极管限制最大的供电电压为58V。需要外接一只100nF瓷介电容器连在脚2(Vcc)与脚6(SGLGND)之间,以确保稳定供电。该高频电容器应尽量紧靠芯片。而用另一只100nF瓷介电容器接在脚2(Vcc)与脚8(PWMGND)之间。欠压闭锁输出特性保证了正常的起动,避免了万一在Vcc过低时不希望的驱动工作状态。Vcc电压也供给输出端驱动器,因此最大的驱动电压设在5.5V,所以推荐用逻辑栅极门限电平的MOSFET。
2.2 同步工作状态
STSR3具有一种革新的特性,即内在设计使STSR3能工作在副边没有任何来自原边的同步信号条件下。STSR3的同步是直接从副边获得的,它利用同步开关管MOSFET两端上施加的电压脉冲,作为开关转换的传递信息。图2中同步信号从脚4(CK)输入,芯片内部的门限电平设置在2.6V。在CK的输入端接一个峰值检波器,该单元电路能够辨别原边MOSFET开关转换感应信号以及之后出现的正弦波形。它由非连续模式工作或者谐振复位形态引起,如图5之中的死区时间内波形所示。

(a) 峰值检波器输入
(b) 峰值检波器输出
图5 非连续模式DCM工作波形
2.3 连续导通模式
当反激变换器工作在连续导通模式(CCM)时,在同步MOSFET开关管源极与漏极之间的电压脉冲已变为矩形波状,如图6所示。该电压可以用两种不同的方式加到芯片脚CK上:一是用图7中的电阻分压器方法;二是用图8中的一只二极管和拉住电阻器方法。在大多数情况下,当同步MOSFETA管关断截止时,在电压脉冲波形上会出现一个尖峰信号。在芯片脚CK输入端,必须先消除这一尖峰电压,以避免导致虚假同步触发。在采用电阻分压器R1及R2时,可再增加一只C1高频小电容器来消除尖峰电压突起,如图7所示。
图6 连续导通模式(CCM)波形

图7 用电阻分压器的同步电路

图8 用二极管D1和R1给脚4(CK)脉冲输入
反激变换器用于电信的一个典型例子,就是直流输入电压具有1:2的可变性范围,典型值为36~72V。因此,副边绕组电压也有1:2的可变范围。那么在36V输入时,由分压电阻器可计算出在脚CK的电压约为28V;而当直流输入为72V时,则脚CK电压达到56V。即使该值高于脚CK的最大电压也是可以接受的,因为它限制了流入该脚的电流为10mA。
电容器C1的数值取决于同步MOSFET管关断尖峰的幅度,并随R1的数值而变化。为了减小因R1和C1两者引起的延迟,应选用最小的电容值。
在用电源适配器的反激变换器时,其电网输入工作电压为AC85~270V,它的可变范围是1:3。在电网输入电压最低时,必须保证脚CK的电压为2.8V;因此当电网输入电压为最高值时,电压将达到8.9V,或者更高些。该电压值超过了器件允许的最大值。如果通过R1限制流入脚CK的电流值,使之低于脚CK允许的最大电流值,那么芯片仍然可以正常地工作。否则,必须加接二极管D1,以保护芯片不受损。
图8给出了用二极管D1和R1拉住电阻器的同步电路图,用这种电路不存在关断尖峰和脚CK最高电压的问题。由于同步整流器的漏极电压出现振铃,故该电路不能在非连续状态下正常工作。
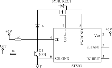
通过增设一只NPN晶体管接在脚CK与脚SGLGND之间,如图9所示,用一只二极管和拉住电阻器去同步STSR3的关断电路,用Q1和R2接法来等效于电阻分压器电路,可以容易地关断STSR3。当图9中信号“OFF”为高电平时,该三极管导通,迫使脚CK降到地电平。在这种条件下,OUTGATE脚将变为低电平状态,从而关断同步MOSFET开关管。
图9 芯片增设的外部关闭电路
2.4 非连续导通模式
正如前面图5所示,在非连续模式工作状态下,当检测原边开关转换信号时,可能会存在一些问题。芯片内部的峰值检波器,只能确定脚CK达到的峰值,而忽略其他所有较低值的信号。查看图5可知,应确保开关转换波形与正弦波之间最小的电压差为V1=400mV时,也能让峰值检波器正常地工作。正像前面的叙述中提到的,如果输入电压可变范围大于1:2,那么就必须增加二极管D1,来箝位脚CK上的电压。在这种条件下,无论是开关转换波形,还是正弦波形都被箝位,使峰值检波器不能正确工作,则易产生如图10所示STSR3错误触发时的驱动脉冲波形。这时若采用一个如图11中所示的外部峰值检波器电路,就能解决问题,使芯片在连续或非连续模式下均能正确工作。
(a) 峰值检波器输入
(b) 峰值检波器输出
图10 错误箝位的异常驱动输出

图11 外部加设的峰值检波器电路
2.5 外部峰值检测器
当输入电压可变范围高于1:2时,可用图11外峰值钟检测器,取代前面图7中电路,以保证STSR3在非连续或连续导通模式下均正确工作,它向脚CK供纯净的矩形波。
R20是一只拉住电阻器,当同步整流MOSFET导通或者它的体二极管导通时,图11中V1电压值是低电平。当MOSFET截止时(对应于原边的开关时间),电压V1在5V值。图11中的R22和C10构成一个低通滤波器,甚至当振铃脉冲几乎为零值时(见图12中波形),它也能具备正确的同步信号。但是,R22和C10又会引起不希望的延迟时间,所以,再增加R21和C9组合电路,就能在快速开关转换时减小该延迟。ST公司的逻辑器件74V1T70可消除噪声,防止它误触发STSR3内部的峰值检波器。在后面的叙述中会给出该电路的建议值。
图12 当振铃电压接近零值时可能会引起IC错误触发
2.6 禁止工作电路
在二极管整流与同步整流之间存在着一种差异,即MOSFET导通时电流可能双向流动,而二极管导通时电流只呈单方向。在非连续模式用二极管整流时,当电感器的电流降到零值,它也不能反向流动,若用MOSFET做整流器,当电感电流降到零,它将继续减小变为负值,并从同步MOSFET漏极流向源极。在这种条件下,变换器好像就工作在连续模式。
若需工作在非连续模式,则当电感电流为零时,同步MOSFET应截止,故体二极管作共用整流器,避免电感电流反向。当该电流接近0时,脚INHIBIT能关断同步MOS,使变换器工作在非连续模式。
芯片在脚INHIBIT的内部接了一个门限电平为-25mV的比较器。该脚外部通过一只电阻器接到同步MOSFET的漏极。在开始截止时间(此时CK处于低电平),OUTGATE处于高电平。INHIBIT电压的监控时间为250ns:如果脚INHIBIT上的电压高于-25mV,那么OUTGATE变为低电平;如果脚INHIBIT电压低于-25mV,那么OUTGATE保持高电平,直到其电压达到-25mV为止。这是由于当同步MOSFET导通时,其漏极上电压为VDS=-RDS(ON)×ID。如果VDS高于-25mV,这就意味电流在减小,并且接近非连续模式,所以OUTGATE关断,让MOSFET的体二极管工作,见图13。当变换器在连续模式时,脚INHIBIT电压总是低于-25mV,则OUTGATE保持高电平。
(a) 同步整流MOSFET源极—漏极电压
(b) 电感电流

(c) 禁止INHIBIT工作电压
(d) 同步整流MOSFET栅极电压
图13 禁止电路工作波形
在原边MOSFET转换到关断期间,脚INHIBIT电压应在250ns之内从高降到-25mV。选择R26阻值应适合该特性。当变换器与其他电源并联工作时,脚INHIBIT检测同步MOSFET两端电压,也避免变换器从输出端吸入电流。
虽然脚INHIBIT允许工作在非连续模式,但是在原边开关管关断期间,-25mV门限电平对同步整流MOSFET漏极出现的振铃,可能是敏感的,会引起不完全的OUTGATE导通。利用时钟信号提供负极性电压加到脚INHIBIT起消隐时间作用,就能避免这一不恰当的情况。采用图14中所示的一些元器件,可容易地产生该负极性电压。消隐时间值由C11和R25确定。它对覆盖振铃时间结束是必要的,图15中的振铃信号由原边开关截止时引起。(待续)

图14 给INHIBIT提供负极性电压的电路
图15 关断原边开关管时的振铃波形