荧光灯调光电子镇流器的设计
刘锴,吴明光
(浙江大学系统工程研究所,浙江 杭州 310027)
1 引言
1999年全国荧光灯年产量37876万只,其中T8荧光灯产量8380万只[1]。因此,提高照明效率和质量对于节约能源和改善工作和生活条件均具有重大意义。高频电子镇流器与传统的电感式镇流器相比,具有重量轻,体积小,效率高,无频闪,易实现调光以及功率因数高等一系列优点。
上世纪80年代,分立元件的电子镇流器的市场表现不尽人意,其原因在于分立元件镇流器存在可靠性差,价格高,污染电网,调光困难等缺点。上世纪90年代,国外公司纷纷推出荧光灯专用集成控制芯片,高频调光电子镇流器终于在市场中取得了长足的进步。这类芯片有TDA4817,SG3561A,MC34261,UC3852,KA7543[2]等。解剖分析Philips公司的HF-R36TLD,BETPLTD公司的DTK805调光电子镇流器产品,二片式(控制芯片+功率因数校正芯片)是主流结构。Microlinear公司的ML4830及ML4835[3]芯片为一片式结构,即把控制芯片和功率因数校正芯片集成为一片。2001年,复旦大学微电子有限公司开发成功FM2811荧光灯电子镇流器专用芯片,该芯片为一片式结构。本文基于FairChild公司的调光电子镇流器控制芯片KA7543,以及功率因数校正芯片KA7526展开讨论。
2 芯片介绍
2.1 调光镇流器控制芯片KA7543的结构和功能
KA7543采用14脚DIP或SOP封装,引脚配置如图1所示,表1给出了引脚功能。
图1 KA7543引脚排列
KA7543具有荧光灯预热软启动,宽范围无级调光,无灯保护和异常保护,欠电压自锁等功能。图2为KA7543的内部功能框图。
图2 KA7543内部功能框图
2.2 功率因数校正芯片KA7526的结构和功能
KA7526是荧光灯专用功率因数校正芯片(Power Factor Correction Controller,PFC)。KA7526内嵌的有源PFC升压变换器采用乘法器方式[4],
表1 KA7543引脚功能表
| 引脚
| 名称
| 功能
|
| 1
| OUT1
| 驱动输出1
|
| 2
| NC
| 无定义
|
| 3
| Vcc
| 电源供电
|
| 4
| Cc
| 补偿输入
|
| 5
| V5
| 5V电压输出
|
| 6
| Vfb
| 负反馈输入
|
| 7
| Vab
| 异常保护输入
|
| 8
| VId
| 灯检测输入
|
| 9
| Vdm
| 调光控制输入
|
| 10
| Cs
| 软启动时间控制输入
|
| 11
| Cdm
| 软调光控制输入
|
| 12
| GND
| 接地
|
| 13
| NC
| 无定义
|
| 14
| OUT2
| 驱动输出2 |
在电源输入端产生与AC输入电压同相位的正弦电流,其作用是使负载呈纯电阻,即功率因数近似为1。KA7526的引脚功能见表2。
表2 KA7526引脚功能表
| 引脚
| 名称
| 功能
|
| 1
| INV
| 误差放大器反相输入端
|
| 2
| EAOUT
| 误差放大器输出
|
| 3
| MULT
| 乘法器输入
|
| 4
| CS
| PWM比较器输入
|
| 5
| Idet
| 零电流检测输入
|
| 6
| GND
| 接地
|
| 7
| OUT
| 功率驱动输出
|
| 8
| Vcc
| 电源脚 |
3 可调光电子镇流器的原理
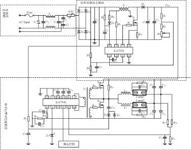
3.1 电路描述
如图3所示,可调光电子镇流器可分为三部分:KA7543及其外围电路组成的荧光灯调光控制模块;KA7526及其外围电路组成的功率因数校正模块;L1,C1,C2,C3,C4,V1,NTC组成的电磁干扰(EMI)滤波器。V1为抑制瞬态电压的压敏电阻,NTC为抑制浪涌电流冲击的热敏电阻,滤波器能抑制来自电源的共模和差模干扰,同时并阻止镇流器本身产生的开关噪声对其他电器的干扰。
图3 调光电子镇流器电路图
3.2 软启动
ZBK74012-90把电子镇流器的启动方式分为两类:预热式启动(软启动);非预热式启动(硬启动)。荧光灯是热阴极,属热电子发射。硬启动导致灯要承受两段辉光放电时间,而在这段时间内,灯阴极周围的空间电荷非常稀薄,使阴极发射物质溅射量急剧上升,从而使灯早期发黑,寿命缩短。文献[5]对此作了深入研究,试验结果见表3。
表3 硬启动与软启动灯管寿命
| 硬启动
| 软启动
|
| 灯管号
| 启动次数
| 灯管号
| 启动次数
|
| 1
| 10500
| 6
| 16200
|
| 2
| 9100
| 7
| 16100
|
| 3
| 7500
| 8
| 16470
|
| 4
| 9180
| 9
| 23560
|
| 5
| 5600
| 10
| 22730
|
| 平均值
| 8772
| 平均值
| 19010 |
表3的试验数据表明,软启动的灯管寿命比硬启动平均高出一倍以上。
在KA7543的脚3上的电压Vcc达到启动门限电压(8.5V)时,内部UVLO电路即为IC内的所有电路提供基准电压(Vref=2V±5%)和偏置电流。IC内的软启动电路开始对软启动电容Cs(图3中为C22)充电,IC输出一个比通常工作频率fnor(约30kHz)高约30%的预热频率fpre,最高软启动频率由脚4(Cc)上的电压决定。随着Cs上的电压Vcs线性上升,开关频率随之线性下降。当频率降至LC串联谐振电路的固有频率f0时,LC电路产生串联谐振,并在灯管两端产生一个约1kV的高压脉冲,将灯管击穿而点燃。此时,IC的输出频率降至工作频率fnor,整个软启动时间为0.8~1s。
启动电路通过电阻Rst(图3中为R21)对IC充电。Rst的值可通过式(1)计算。
Rst=
(1)
式中:Vin为经过整流后的输入电压;
Vthmax为芯片KA7543的最大启动门限电压;
Istmax为最大启动电流。
图3电路中Vin=220V,Vthmax=10.5V,Istmax=0.25mA。可以得出Rst=1.2MΩ。
软启动的时间由软启动电容Cs的大小决定。当启动电压达到门限电压后,IC内部一个313nA的电流源向软启动电容Cs充电,直至电压Vcs达到2V。因此软启动时间ts可通过式(2)计算。
ts=
(2)
如果Cs=0.2μF,则ts=1.28s。
3.3 无级调光控制
电子镇流器工作采用三段式,即上电后,镇流器工作在预热频率(fpre);灯阴极充分预热后进入启动频率(f0);灯管点燃后转至工作频率(fnor)。
文献[6]列出并比较了荧光灯现有的4种调光方式,即输入电压相位控制,镇流器的阻抗控制,工作频率控制,灯上加周期性不连续电压。其结论是工作频率控制法综合指标最佳。KA7543应用的就是工作频率控制方法。KA7543的内部调光电路位于脚9(Vdm),脚11(Cdm)和脚6(Vfb)之间。加于脚9的调光电压范围为0~2V,0V对应满光(Full light),2V对应完全变暗(Full dimming)。即脚9调光控制电压增加时,开关频率升高,L2及L3阻抗增加,导致灯电流减小,灯变暗。
图4为不同亮度时灯电压和电流的实验波形图。

(a) 最小输出功率,电压40V/格,电流20mA/格
(b) 60%输出功率,电压40V/格,电流500mA/格
(c) 100%输出功率,电压40V/格,电流500mA/格
图4 不同亮度时灯电压和电流波形
4 结语
采用荧光灯专用集成芯片设计可调光电子镇流器是切实可行的,产品的技术经济指标要明显优于采用分立元件的电子镇流器和传统的电感镇流器。采用了EMI滤波和PFC技术,可以较好地满足IEC谐波标准。在20%~100%亮度范围工作时,无级线性调光工作稳定,灯管开启次数约提高20%。在10%~20%亮度范围工作时,荧光灯工作欠稳定。效率实测提高15%左右,未达到理论上的30.2%,尚需进一步的优化和改进。