Abstract: Circuit structure essential for a high performance electronic ballast system, and fundamental circuits of power factor correction were discussed first. After that, a series of special electronic ballast integrated controllers of Micro Linear Corporation and a high performance electronic ballast system were described.
Keywords: Electronic ballast, Power factor correction, Integrated circuit controller
1引言
1997年10月1日,我国“绿色照明工程”正式启动,这是照明技术领域内一项重大决策和举措,必将对我国的能源、电光源和照明技术,甚至环境保护等各个领域产生巨大影响。
据国家经贸委人士称:我国将把采用电子镇流器和紧凑型荧光灯组成的一体化节能灯取代白炽灯作为“绿色照明工程”的重要目标,“九五”期间,将推广各种节能灯3亿只以上,形成终端节电220亿度的能力,相当于节约电力建设资金(490~630)亿元,扣除节电投入,实际可减少社会支出(300~400)亿元。又据信息产业部有关专家认为,在相同光通量条件下,节能灯比白炽灯可节约电能80%,用于购买节能灯的费用,在(8~10)个月的电费节余中就可以收回。普通家庭和企事业单位、宾馆饭店、商业系统等使用电子节能灯,比白炽灯更为合算。但是,目前在工频下工作的老式电感镇流器,普遍存在耗能高、效率低、体积大,需大量铜材等缺点。所以,国家已把高频电子镇流器取代传统电感式镇流器定为一项政策。目前,市场上出现了一些电子镇流器,表1列出这些电子镇流器的性能比较。按照国际电工委员会标准IEC929和我国的专业标准ZBK74012—90关于电子镇流器在“正常情况下使用时,应使灯启动,但不对灯性能造成损害”;“施加阴极预热电压的最短时间应不少于0.4s”和“开路电压的波峰系数不得超过1.8;在最低预热期间,不得产生即使是极窄的、不影响有效值的电压峰值”等规定,则表1中所列,除高档电子镇流器外,均属不合格产品。特别要强调的是,早在1982年,国际电工委员会(IEC)就制定了名为“家用设备及类似电器设备对供电系统干扰的标准”,即IEC555-2标准。1987年,欧洲也制定了类似的EN60555-2标准。两个标准都严格限定了设备的功率因子必须接近1,而且还明确作出300W以上设备,自1992年起;300W以下设备,自1994年起,凡不符合标准的产品不准销售的规定。鉴于功率因子低造成的危害极大,强行贯彻电子设备和产品的功率因子必须接近1的规定非常重要,也非常必要,国内现在虽尚无相应标准,但可以确信相关标准的出台是迟早的事。高性能电子镇流器自然亦不例外。
表1低、中、高档电子镇流器简要比较
| 性能 |
低档 |
中档 |
高档 |
| 网侧功率因子 |
0.5~.7 |
0.9左右 |
0.9以上 |
| 三次谐波电流 |
60~80% |
约20% |
<10% |
| 故障保护设置 |
无 |
少数有设置 |
有 |
| 灯管控制 |
不控制 |
少数考虑控制 |
灯丝预热控制 |
| 电路结构 |
简单 |
不太复杂 |
较复杂 |
我们认为,高性能电子镇流器应该是既具有功率因子校正,同时兼备灯管灯丝预热、灯光调节和灯电路保护等功能,且完全符合IEC555-2及类似标准的产品,为此,本文就高性能电子镇流器必须具备的电路结构和功率因子校正电路的基本原理作简要讨论,着重介绍美国微线性公司的电子镇流器专用集成
控制器ML4831,ML4832,ML4833及由其构成的高性能电子镇流器电路。
2高性能电子镇流器的电路结构
电路结构如图1所示。图中RFI和EMI滤波器将来自电网的传导射频干扰和电磁干扰滤除,同时阻碍镇流器电路产生的传导射频及电磁干扰进入电网。桥式整流电路将输入交流变换成直流。功率因子校正电路则起改善输入交流电流波形的作用,确保输入电流正弦化并与输入电压同相位,实现功率因子接近或等于1。逆变电路完成直流高压向高频交流的变换,通过灯电路网络将输入功率最终传输给荧光灯管。灯网络除了传递电功率之外,还将实施荧光灯灯丝的预热、灯管工作状态信号的取样和反馈。灯工作状态的反馈信号取自功率因子校正电路和调光信号,经控制电路处理得到正确的逆变电路中开关器件的驱动脉冲。

图1高性能电子镇流器的电路结构
2.1功率因子校正电路
系统的功率因子(PowerFactor,PF),定义为
PF=γcosφ1(1)
式中γ=I1/IRMS,是输入电流的基波有效值与输入总电流有效值之比,称电流的失真因子(DistortionFactor,DF),φ1为基波电流与电压的相移角。
如果系统的输入电压与电流无相移(即系统为纯电阻性),且无任何谐波分量(即DF=1),该系统的PF必然等于1。遗憾的是,目前绝大多数电子设备与工频电网相接的输入整流滤波单元都采用不控二极管和大容量电解电容器组成,网侧电流的瞬时值相当高(一般约为IRMS的2倍~3倍),持续时间非常短(通常不超过4ms),呈严重非正弦化特征,故系统的PF远低于1。功率因子校正就是针对传统不控整流电路的弊病,采取相应的电路措施,在提高系统DF值的同时,尽量减小输入基波电流和电压的相移,最终实现PF值等于1的目标。图2所示为电子镇流器中常用的升压型有源功率因子校正电路。控制电路以输入电压信号作基准,输入电流和输出电压信号的乘积作调制源,得到正弦脉宽调制(SPWM)信号给升压型DC/DC功率变换电路,以调节功率开关的通、断时间比,最后获得稳定的直流高压。升压型功率变换电路中的功率开关器件,由于在控制电路输出的SPWM信号驱动下高速通、断,故可确保流经与整流桥相串联的电感中的电流波形为正弦波,且与输入电压同相,从而得到系统输入电流的失真因子γ=1和φ1=0,即cosφ1=1,实现系统功率因子为1。

图2电子镇流器中的PFC电路
2.2逆变电路
逆变电路最主要的功能是将经功率因子校正电路输出的高压直流变换为供荧光灯使用的高频交流。图3所示为电子镇流器中最常用的电流馈送推挽零电压开关(ZeroVoltageSwitching,ZVS)谐振逆变电路及其相关波形。图中功率MOSFET推挽管(V1和V2)在占空比为50%的驱动脉冲驱动下交替地通、断,并在功率变压器初级电感和电容构成的并联谐振回路中电流过零时换向,实现零电压开关(ZVS),对高压直流实行斩波。零电压开关能消除与MOSFET管的输出电容和寄生电容充电相关的开关损耗,而且栅极驱动电荷最小,有利于减少栅极的损耗。图3右侧所示为功率变压器初级所呈现的电压和流过的电流波形。由于功率变压器次级耦合得到的高频交流是直接馈送至灯路网络的,故灯电流(即功率变压器次级电流)与逆变电路的输出电流(即功率变压器初级电流)不存在相移。考虑到灯网络的总阻抗在高频时会减小,以及荧光灯自身的负阻特性,可以发现随着灯电流的减小(相当于灯的光强减弱),逆变电路的

图3电流馈送推挽ZVS谐振逆变电路及相关波形
输出电流将会增加。
2.3灯电路网络
灯电路网络除须将逆变电路输出的高频交流功率输送给灯管,完成电-光的高效转换外,还包括诸如灯丝预热、灯电流检测反馈以及整个电子镇流器系统的辅助供电源等功能。图4为实用双灯管灯电路网络的实例。图中功率变压器T初级接逆变电路,通过电容直接向灯管输送灯正常发光所需的灯电流,次级绕组则向灯管提供预热和维持工作的灯丝电流。电流互感器TA执行对灯电流的检测和传感,通过灯电流的变化随时将有关灯工作情况的信号送往控制电路。控制电路可根据灯电流的大小(甚至包括灯管脱连和断路),判断灯的发光强弱,然后向逆变电路发送相应的控制信号。

图4灯电路网络示例
2.4控制电路
高性能电子镇流器专用的控制电路应该具有包括功率因子校正、灯光调节、开灯预热、灯管断路警报、灯再起动程序调控等一系列功能。目前,国内外器件市场上出现的一些供电子镇流器用的集成电路控制器,基本上多是以PFC控制为主,适当添加灯路控制功能,或通过外部电路实施灯路控制的产品。相关产品列于表2,以供参考。值得强调的是,表2所列产品中,真正称得上高性能电子镇流器专用的集成控制器只有美国微线性公司的ML4830/31/32/33系列产品。
3ML4830系列高性能电子镇流器专用集成控制器
表2电子镇流器用集成电路控制器产品简表
| 制造厂家 |
型号 |
工作模式 |
备注 |
| MicroLinear |
ML4830ML4831ML4832ML4833 |
平均电流型,升压式峰值电流型,升压式平均电流型,升压式峰值电流型,升压式 |
可调预热,灯电流可控 |
| Motorola |
MC34261MC34262 |
峰值电流型,升压式峰值电流型,升压式 |
|
| Unitrode |
UC3871 |
ZVS推挽驱动,降压式 |
灯开路检测 |
| Siemens |
TDA4816TDA4817 |
连续电流,升压式不连续电流,升压式 |
有起动、停止电路单环控制 |
| SiliconGeneral |
SG3561 |
电压型,升压式 |
|
| 韩国三星 |
KA7514KA7524 |
峰值电流,升压式 |
|
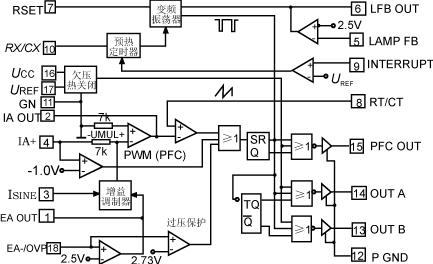
ML4830/31/32/33是美国微线性公司专为高性能电子镇流器开发的集成电路控制器。第一代产品ML4930已淘汰;第二代产品ML4831系采用双极型集成电路工艺制造;第三代产品ML4832采用Bicmos工艺替代原先的双极型工艺,电路偏置电流大大减小,自耗显著降低;第四代产品ML4833不仅采用Bicmos工艺,内部结构亦有重大改进,故功能增强,性能更好。这些器件尽管都可采用图5功能框图,实际上ML4831和ML4832的内部结构及ML4833的内部结构分别如图6及图7所示。

图5ML4831/32/33功能框图

图6ML4831/32内部结构框图

图7ML4833内部结构框图