无源无损缓冲器的设计与分析
高燕1,刘先刚2,张国安1
(1空军雷达学院机电工程系,湖北 武汉 430019)
(2空军雷达学院研究生四队,湖北 武汉 430019)
1 引言
为了确保功率开关管安全可靠地工作,则功率开关管必须工作在安全区。但在硬开关条件下,功率开关管在开通和关断过程中可能承受过压、过流,过大的di/dt和dv/dt的冲击,使开关管发热,如不采取保护措施,可能使功率开关管超出安全工作区而损坏。为此,在功率电路中,通常设置缓冲电路或采用软开关技术,以防止瞬时过压、过流,过大的di/dt和dv/dt,减小开关损耗,确保开关管工作在安全工作区。
缓冲电路的形式很多,可根据不同的场合合理选用。常用的缓冲电路,简单的有无源的并联RC电路、并联RCD缓冲电路、RCD限幅箝位缓冲电路等,还有较复杂的有源缓冲、软开关电路等。有源缓冲电路在电路结构、控制方法上都比较复杂,成本价格也比较高。而无源缓冲电路往往是用缓冲电容C吸收功率开关器件关断时的能量,然后消耗在电阻R上,虽然可以改善开关器件的关断特性,但降低了电路的变换效率,并且在大功率场合,需要大功率的电阻,而消耗掉大量能量,甚至改变了设备的工作环境。为此,为了简化电路,提高变换效率,有必要研究无源无损缓冲吸收电路。已有文献[1][2][3]对无源无损缓冲电路和软开关技术作了大量的研究。但是,这些无源无损缓冲电路一方面电路结构比较复杂,另一方面其使用具有一定的局限性。为此,笔者在对 DC/DC, DC/AC变换器进行了大量研究的基础上,提出了由一只电容和两只二极管构成的CD2型无源无损缓冲电路和由一只电容、一只电感和两只二极管构成的CLD2型无源无损缓冲电路。
本文对CD2和CLD2型无源无损缓冲电路进行了分析,并且给出了在半桥变换电路中的应用结果。
2 CD2型无源无损缓冲电路及其分析
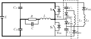
CD2型无源无损缓冲电路可以应用于半桥和全桥变换电路。该电路应用于DC/AC半桥变换器中如图1所示。
图1 CD2型无源无损缓冲电路应用于DC/AC半桥变换器
图1所示电路中,直流电源电压为E,电容Cs1,Cs2和开关管S1,S2各为一桥臂构成半桥电路,L,C,R为等效的输出电路,其中L包含功率电路中的寄生电感。VD1,VD2分别为S1,S2的反并联二极管。S1的缓冲吸收电路由图1中虚线框内电容C1和二极管VD11,VD12组成。S2的缓冲吸收电路则由电容C2和二极管VD21,VD22组成。CD2型无源无损缓冲电路共有三个工作模式,如图2所示。图中粗线表示电流通路。

(a)导通模式
(b)充电模式
(c)放电模式
图2 CD2型无源无损缓冲电路三个工作模式
其工作过程如下:
1)导通模式 S1导通,S2截止,如图2(a)所示。此时S1导通,有电流通过,C1两端电压上正下负,被箝位为电源电压E,故VD12两端电压等于0,而VD11反向截止,其上电压为-E,在此模式下电容C1中无电流通过。
VC1=E (1)
2)充电模式 S1关断,S2截止,如图2(b)所示。此时电路中的等效电感L中的电流通过C1,VD11续流,给C1充电,直到充电电流为0〔如式(2)〕。同时C1的电压逐步增加,其峰值取决于S1关断时电流值和电路中等效电感L值,此时,VD12两端电压反偏,其值等于VC1-E,VD11导通。
VC1=VC10+
ic1dt=E+
ic1dt(2)
L
+ic1R+
ic1dt=
(3)
3)放电模式 S1截止,S2截止,如图2(c)所示。此时C1两端电压高于电源电压,VD12正偏导通,电容C1迅速通过VD12放电到直流电源,直到电容电压等于电源电压E时,VD12截止。然后等待下一工作周期的到来。
Vc1-E=
ic1dt(4)
下管S2缓冲电路工作原理类似。
在该电路中,二极管应选用快恢复二极管,而电容容量可根据电路中所需要缓冲的能量来选取。电容首先吸收功率电路中需要缓冲的能量,然后再向电源释放能量,由此将缓冲的能量反馈回电源,从而提高了电路的转换效率。
3 CLD2无源无损缓冲电路及其分析
图1所示电路为CD2无源无损缓冲电路在半桥电路中的应用。但是,当电路中需要缓冲吸收的能量较大时则电容电压增量很大,由于二极管VD12的导通电阻值很小,则电容就以一个很大的冲击电流放电,这对电路各器件有损害,降低了电路的可靠性,为此,需要在VD12放电支路中串联一个限流电感L1,在VD22放电支路中串联一个限流电感L2,如图3所示。

图3 CLD2型无源无损缓冲电路应用于DC/AC半桥变换器
CLD2型无源无损缓冲电路的工作模式,也有3个:其一为导通模式,其二为电容续流充电模式,其三为电容与电感谐振放电模式。前两个工作模式与CD2型缓冲电路相同,模式3等效电路如图4(c)所示,电容通过E—VD12—L1谐振放电,放电电流波形如图5所示,谐振放电模式可使二极管VD12实现软开关,能有效限制放电电流冲击。
(a)导通模式
(b)充电模式
(c)谐振放电模式
图4 CLD2型缓冲电路的3个工作模式
图5 谐振放电电流波形
电容选取原则同前,电感的选取原则是要满足电容、电感谐振半周期时间小于开关管截止期时间即可,此外并无严格要求。但是电感值越大,则放电电流峰值越小。
4 仿真与实验结果
对图1、图3所示的电路,我们进行了一些仿真和实验,实验数据如下:E=100V,fs=10kHz,C=1μF,L=100μH,占空比D1=40%.
仿真波形和实验结果分别如图6、7所示。

(a) CD2型缓冲电路
(b) CLD2型缓冲电路
(c) RCD型截止缓冲电路
图6 各类缓冲电路的功率开关管两端电压仿真波形

(a) CD2型缓冲电路 (b) CLD2型缓冲电路

(c) RCD型截止缓冲电路
图7 各类缓冲电路的功率开关管两端电压实验波形
由实验和仿真结果可以看出,CD2型缓冲电路,CLD2型缓冲电路,RCD型截止缓冲电路的缓冲效果差不多。但明显可以看出CD2型缓冲电路简单,可靠,参数容易设计。
5 结语
通过仿真和实验,说明CD2型和CLD2型无源无损缓冲电路简单可靠,缓冲效果好,且电路参数设计不是很严格,便于实现。该无损缓冲电路已使用在单相500W/400Hz逆变电源中,缓冲效果很好。