单级高功率因数调光式荧光灯电子镇流器设计
李艳,郑颖楠
(燕山大学,河北 秦皇岛 066004)
Abstract:A electronic dimming ballast design method is presented,based on this method,a kind of high power factor single-stage electronic dimming ballast is carried out.A fluorescent lamp PSPICE model is utilized for the electronic ballast simulation to verify the validity of the design,and the effect of dimming is good.
Keywords:Dimming; Electronic ballast; PFC
1 引言
近年来,高频荧光灯电子镇流器以其高效、体积小、重量轻、无频闪、灯寿命长等优点而逐渐为人们所接受。
我国对电子镇流器的研究和发展是在上世纪80年代末到90年代初。在初期,很多厂家为了节约成本,选用的拓扑结构较简单,性能指标往往无法达到国家标准,而且极易损坏,这无疑给电子镇流器的普及造成了更多障碍。目前,一些人直接套用国外先进的电路拓扑,致使设计方法纷繁复杂,甚至有些根本不适于在220V/50Hz电网下工作。随着节能问题越来越受到关注,高性能的荧光灯电子镇流器需要增加调光功能,在不必要满功率输出的场合,降低输出功率,不仅节能,延长灯的使用寿命,而且还能起到变换视觉效果的目的。因此,研究出高性能、更贴近灯特性、且功能齐全的电子镇流器迫在眉睫。
2 设计要点
2.1 概述
调光功能实际上是指具有调节灯上的输出功率的功能。当照明装置并不需要满功率输出时,研究表明,应用调光系统可节能50%。
在传统的无调光系统镇流器设计中,由于灯在高频下且稳定工作时,输出功率也恒定,可以近似认为灯是定常电阻。当电网电压波动,或由于其它原因使灯电流、灯电压发生变化,即灯电压、灯电流RMS值及灯功率发生改变时,只要通过闭环控制就可以使灯稳定地工作在额定点附近,灯电阻就不会发生很大的变化。然而,在调光工作模式下设计变得复杂了,如果仍然把灯等效成纯阻性负载,会产生相当大的偏差,因为在不同的调光等级,荧光灯所表现出的负阻特性是不同的。因此设计调光式电子镇流器不能用简单的电阻负载来等效灯。
近年来,由于采用计算机辅助设计使电力电子装置设计过程大大简化,并且可以得到更多的电路工作信息。常用的仿真软件有PSPICE、MATLAB等等,而在电力电子装置的设计中以使用PSPICE居多。因此,建立荧光灯的PSPICE模型成为迫切需要解决的问题。
2.2 荧光灯的建模
荧光灯的建模主要有两种方法,一种是物理建模,它是基于灯的物理放电现象,然而这种建模方法都要涉及较复杂的方程式和很多变量,不适合电路仿真;另一种是采用曲线拟和的方法,它是利用灯的V-I特性曲线建模,根据实验结果用含有待定系数的曲线方程去近似,其中,有的用立方曲线方程,还有用指数曲线方程、抛物线曲线方程、甚至用线性方程去拟和。
PSPICE模型可以是静态模型也可以是动态模型。静态模型需计算出在不同工作点时灯所表现的阻抗值,再进行分布仿真,通常这类模型建立起来比较简单,但应用十分不便。动态模型需要在工作点变化时,把此时灯所呈现出来的阻抗值直接反映出来,包括它的启动过程,这样的模型通常称之为调光模型,这种模型非常适用于调光式电子镇流器的设计。图1是一个荧光灯PSPICE动态模型[1]。它是基于指数曲线拟和而成的,此模型是针对32W-T8灯建立的。
图1 荧光灯PSPICE模型
2.3 调光方式
调光是指调节传递到灯上的能量,从而改变灯功率。一个调光控制系统中一般通过控制四个参量达到调光目的,即
1)调频
2)调节占空比
3)调节直流母线电压
4)调节谐振阻抗值[2]。
频率控制指的是改变开关频率fs,使工作频率远离谐振网络的自然谐振频率而减少灯功率,此时保持占空比D恒定不变。占空比调制是指在fs恒定的情况下,改变开关的导通时间,导通时间的减少使传递到灯上的能量减少从而使灯上的功率减少。占空比调制范围是从0变化到0.5,因此,限制了调光范围。调节直流母线电压指的是改变直流母线电压的幅值,同时保持fs和D不变,这种控制方式只能用于双级拓扑结构中。阻抗控制是指改变谐振网络的Ls、Cr的参数值,这种控制方式实现起来较复杂。其中,采用调频方式的电路结构较简单,且容易控制,因此,实际应用最多。但它却有着在整个调光范围内,不易实现软开关;在轻载时,器件应力很大;且硬开通和硬关断使电磁骚扰问题严重等缺点。为了扩大调光范围,则需扩大频率变化范围,而频率范围又受电磁元件、门极驱动电路所限制,灯电流近似与逆变器频率成反比,因此设计电感等电磁元件时要考虑这方面的影响。
2.4 模型的验证
图2使用一个简单电路验证一下灯模型,拓扑仅由一个CLASS-D逆变器构成。参数为Ls=1.56mH,Cr=5.6nF,fs=45kHz,D=0.45。
图2 CLASSD型逆变器电路拓扑
从图3中可以明显地看出,在整个调光范围内灯电压几乎不变,灯电流随着频率的增加而逐渐降低。当fs接近75kHz时,灯电流急剧下降,继续增大频率,灯将会熄灭。由此说明此模型能够很好地反映灯特性。
(a) f=45kHz,D=0.45
(b) f=70kHz,D=0.45
(c) f=75kHz,D=0.45
图3 不同频率下灯电压、灯电流仿真波形
3 设计与验证
3.1 主电路拓扑
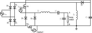
主电路拓扑结构如图4所示。
电子镇流器的主电路由PFC电路和谐振电路两部分组成。考虑到两级结构的成本过高,因此将两级中的功率开关管共用变成单级结构。图4所示主电路拓扑就是将Buck-Boost型PFC电路与并联负载串联谐振电路合成在一起,灯模型采用前面所提到的模型。
图4 调光式荧光灯电子镇流器主电路拓扑
3.2 理论设计
对于上述拓扑,功率因数校正级电感Lo是和频率有关的量,那么调光时,随着频率的升高,电感电流可能要连续,这样会影响功率因数校正的效果,灯上电压、电流也会发生畸变,从而限制了调光范围。因此,它的参数选择至关重要[3]。首先,由于电感电流工作于DCM状态,电感电流的峰值iin(peak)(t)正比于线电压,所以它在半个工频周期(T/2)内为
iin(peak)(t)=
(1)
(0t
)
式中:VI为电网电压的幅值;
ω(=2π/T)为电网电压的角频率;
fs为开关频率,它大大高于电网电压频率;
D为开关的占空比。
而电感电流的平均值iin(m)(t)为
iin(m)(t)=
=
(2)
从上式可以看出电感电流的峰值是呈正弦变化的,因此能实现功率因数校正。假设Buck-Boost变换器的效率是100%,功率因数是“1”,一个工频周期内输入功率因数校正级的平均功率为Pi为
Pi=
=
=
(3)
式(3)表明输入功率Pi在Lo恒定的情况下可以通过改变占空比和频率来控制,如果输入功率等于灯驱动级的功率,电压Vco能够保持恒定。相反,如果输入功率大于灯吸收的功率,则Vco将无限制地增长,造成器件损坏。
所以,应尽量使两者相等,而输出到灯上的功率Po为
Po=
(4)
式中:Vo为灯管两端电压;
Rlamp为灯管等效电阻。
为了保证电感电流工作在DCM状态,占空比D必须满足以下条件
D (5)
Lo=
(6)
式中:Pof1,Df1,fsf1分别表示满载时输出功率,占空比和开关频率。保证了整个调光范围内电感电流断续,即功率因数始终为“1”。
选择开关频率fs为45kHz,为了给DCM工作状态留一个裕量,选择D=0.45。功率因数校正极电感Lo=3.37mH。并联负载串联谐振网络参数采用基波近似法得到,参数如下:Cs=1μF,Ls=1.41mH,Cr=5.6nF,模型依然采用前面提及的灯模型。调频调光时直流母线电压、灯电压、灯电流波形如图5所示。
(a) f=45kHz,D=0.45
(b) f=75kHz,D=0.45
图5 提出的单级电子镇流器不同频率下直流母线电压、灯电压、灯电流仿真波形
由图5的仿真波形可以看出,所提出的电路拓扑及参数能够达到设计要求。当频率从45kHz提高到75kHz时,灯功率可以从140%(46W)下降到1%(0.29W)。因此,设计的电路调光范围很宽,调光范围是一项非常重要的性能指标。
调光电子镇流器的频率与功率之间的关系如图6所示。当fs=75kHz时输入电流依然能够跟随输入电压,达到功率因数为“1”。其波形如图7所示。
图6 32W荧光灯调频法调光曲线
图7 输入电压电流波形
4 结语
应用荧光灯PSPICE动态模型可以方便地设计出一个可调光的电子镇流器,设计者可以采用更少的假设做更深入的研究。对所选拓扑其调光范围可达到满功率的1%,调光范围较宽,其功率因数达到“1”,波峰因数在整个调光范围内始终小于1.7。
参考文献
[1] Naoki Onish,Tsutomu Shiomi.A fluorescent lamp model for high frequency wide range dimming electronic ballast simulation[C].IEEE PESC Record-IEEE Annual Power Electronics Specialists Conference 1999:1001- 1005.
[2] S.Y.Ron Hui,Leung Ming Lee,Henry Shu-Hung Chuing,Y.K.Ho.An electronic ballast with wide dimming range, high PF, and low EMI[J].IEEE Transactions on Power Electronics,2001,16(4):465- 472.
[3] E.Deng,S.Cuk.Single-stage,high power factor,lamp ballast[C].IEEEE APEC Record- IEEE 1994:441- 449.