| 网站首页 | 电源技术 | 电源资料 | 电源论坛 | 电源电路 | 电源人才 | 电源供求 | 留言本站 | 繁體中文 | 
[ ] 文章搜索:
您现在的位置: 电源开发网 >> 电源技术 >> 新手入门 >> 设计实例 >> 正文
直流开关稳压电源的保护技术
http://www.dykf.com  2007-9-16  电源开发网           ★★★

直流开关稳压电源的保护技术

杨碧石,蒋金周

(南通职业大学电子工程系,江苏  南通  226007)

Abstract:The protection system of DC switching voltage stabilizer is discussed, and the principle of protection system design and measure of protecting the whole machine are put forward.All kinds protection′ s traits and design way of DC switching voltage stabilizer are analysed, and the several pratical protection circuits are introduced.

  Keywords:Switching power supply; Protection circuit; Desigin of system

1  引言

    直流开关稳压器中所使用的大功率开关器件价格较贵,其控制电路亦比较复杂,另外,开关稳压器的负载一般都是用大量的集成化程度很高的器件安装的电子系统。晶体管和集成器件耐受电、热冲击的能力较差。因而开关稳压器的保护应该兼顾稳压器本身和负载的安全。保护电路的种类很多,这里介绍极性保护、程序保护、过电流保护、过电压保护、欠电压保护以及过热保护等电路。通常选用几种保护方式加以组合,构成完善的保护系统。

2  极性保护

    直流开关稳压器的输入一般都是未稳压直流电源。由于操作失误或者意外情况会将其极性接错,将损坏开关稳压电源。极性保护的目的,就是使开关稳压器仅当以正确的极性接上未稳压直流电源时才能工作。利用单向导通的器件可以实现电源的极性保护。最简单的极性保护电路如图1所示。由于二极管D要流过开关稳压器的输入总电流,因此这种电路应用在小功率的开关稳压器上比较合适。在较大功率的场合,则把极性保护电路作为程序保护中的一个环节,可以省去极性保护所需的大功率二极管,功耗也将减小。为了操作方便,便于识别极性正确与否,在图1中的二极管之后,接指示灯。

图1  简单的极性保护

3  程序保护

    开关稳压电源的电路比较复杂,基本上可以分为小功率的控制部分和大功率的开关部分。开关晶体管则属大功率,为保护开关晶体管在开启或关断电源时的安全,必须先让调制器、放大器等小功率的控制电路工作。为此,要保证正确的开机程序。开关稳压器的输入端一般接有小电感、大电容的输入滤波器。在开机瞬间,滤波电容器会流过很大的浪涌电流,这个浪涌电流可以为正常输入电流的数倍。这样大的浪涌电流会使普通电源开关的触点或继电器的触点熔化,并使输入保险丝熔断。另外,浪涌电流也会损害电容器,使之寿命缩短,过早损坏。为此,开机时应该接入一个限流电阻,通过这个限流电阻来对电容器充电。为了不使该限流电阻消耗过多的功率,以致影响开关稳压器的正常工作,而在开机暂态过程结束后,用一个继电器自动短接它,使直流电源直接对开关稳压器供电,如图2所示。这种电路称之谓开关稳压器的“软启动”电路。

图2  软启动电路

    开关稳压器的控制电路中的逻辑组件或者运算放大器需用辅助电源供电。为此,辅助电源必须先于开关电路工作。这可用开机程序控制电路来保证。一般的开机程序是:输入电源的极性鉴别,电压保护→开机程序电路工作→辅助电源工作并通过限流电阻R对开关稳压器的输入电容器C充电→开关稳压器的调制电路工作,短路限流电阻→开关稳压器稳定工作。

    在开关稳压器中,刚开机时,因为其输出电容容量大,充到额定输出电压值需要一定时间。在这段时间内,取样放大器输入低的输出电压采样,根据系统闭环调节特性将迫使开关三极管的导通时间加长,这样一来,开关三极管就会在这段期间内趋于连续导通,而容易损坏。为此,要求在开机这一段时间内,开关调制电路输出给开关三极管基极的脉宽调制驱动信号,能保证开关三极管由截止逐渐趋于正常的开关状态,故而要加设开机保护以配合软启动。

4  过电流保护

    当出现负载短路、过载或者控制电路失效等意外情况时,会引起流过稳压器中开关三极管的电流过大,使管子功耗增大,发热,若没有过流保护装置,大功率开关三极管就有可能损坏。故而在开关稳压器中过电流保护是常用的。最经济简便的方法是用保险丝。由于晶体管的热容量小,普通保险丝一般不能起到保护作用,常用的是快速熔断保险丝。这种方法具有保护容易的优点,但是,需要根据具体开关三极管的安全工作区要求来选择保险丝的规格。这种过流保护措施的缺点是带来经常更换保险丝的不便。

    在线性稳压器中常用的限流保护和电流截止保护在开关稳压器中均能应用。但是,根据开关稳压器的特点,这种保护电路的输出不能直接控制开关三极管,而必须使过电流保护的输出转换为脉冲指令,去控制调制器以保护开关三极管。为了实现过电流保护一般均需要用取样电阻串联在电路中,这会影响电源的效率,因此多用于小功率开关稳压器的场合。而在大功率的开关稳压电源中,考虑到功耗,应尽量避免取样电阻的接入。因此,通常将过电流保护转换为过、欠电压保护。

5  过电压保护

    开关稳压器的过电压保护包括输入过电压保护和输出过电压保护。开关稳压器所使用的未稳压直流电源诸如蓄电池和整流器的电压如果过高,使开关稳压器不能正常工作,甚至损坏内部器件,因此,有必要使用输入过电压保护电路。用晶体管和继电器所组成的保护电路如图3所示。

图3  输入过电压保护

    在该电路中,当输入直流电源的电压高于稳压二极管的击穿电压值时,稳压管击穿,有电流流过电阻R,使晶体管V导通,继电器动作,常闭接点断开,切断输入。其中稳压管的稳压值Vz=ESrmaxUBE。输入电源的极性保护电路可以跟输入过电压保护结合在一起,构成极性保护鉴别与过电压保护电路。

    输出过电压保护在开关稳压电源中是至关重要的。特别对输出为5V的开关稳压器来说,它的负载是大量的高集成度的逻辑器件。如果在工作时,开关稳压器的开关三极管突然损坏,输出电位就可能立即升高到输入未稳压直流电源的电压值,瞬时造成很大的损失。常用的方法是晶闸管短路保护。最简单的过电压保护电路如图4所示。

图4  简单的输出过电压保护

    当输出电压过高时,稳压管被击穿,触发晶闸管导通,把输出端短路,造成过电流,通过保险丝或电路保护器将输入切断,保护了负载。这种电路的响应时间相当于晶闸管的开通时间,约为5~10μs。它的缺点是动作电压是固定的,温度系数大,动作点不稳定。另外,稳压管存在着参数的离散性,型号相同但过电压起动值却各不相同,给调试带来了困难。图5是改进后的电路。其中R1R2是取样电路,Vz是基准电压。

图5  输出过电压保护

    输出电压Esc突然升高,晶体管V1、V2导通,晶闸管就导通。基准电压Vz由式

     Esc=(R1R2)(VzUBEI)/R1

来确定,UBE1为V1的发射结(BE)电压降。本电路的动作电压可变,并且动作点相当稳定。当稳压管为7V时,其温度系数和晶体管V1的发射结(BE)电压的温度系数可以抵消,能使温度系数降得很低。但是对于输出为5~5.5V的直流开关稳压器来说,其常用的动作电压是5.5~6V。那么稳压管电压必在3.5V以下,此电压附近的稳压管的温度变化系数是-20~-30mV/℃。因此,温度变化大的场合保护电路还会发生误动作。采用集成电路电压比较器来检测开关稳压器的输出电压,是目前较为常用的方法,利用比较器的输出状态的改变跟相应的逻辑电路配合,构成过电压保护电路,这种电路既灵敏又稳定。

6  欠电压保护

    输出电压低于规定值时,反映了输入直流电源、开关稳压器内部或者输出负载发生了异常。输入直流电源电压下降到规定值之下时,会导致开关稳压器的输出电压跌落,输入电流增大,既危及开关三极管,也危及输入电源。因此,要设欠电压保护。简单的欠电压保护如图6所示。

图6  输入欠电压保护

    当未稳压输入的电压值正常时,稳压管ZD击穿,晶体管V导通,继电器动作,触点吸合,开关稳压器加电。当输入低于所允许的最低电压值时,稳压管ZD不通,V截止,触点跳开,开关稳压器不能工作。

    开关稳压器内部,由于控制电路失常或者开关三极管失效会使输出电压下降;负载发生短路也会使输出电压下降。特别在升压型或反相升压型的直流开关稳压器中欠电压的保护是跟过电流保护紧密相关的,因而更加重要。实现方法是在开关稳压器的输出端接电压比较器,如图7所示。

图7  欠压保护方框图

    正常时,比较器没有输出,一旦电压跌落在允许值之下比较器就翻转,驱动告警电路;同时反馈到开关稳压器的控制电路,使开关三极管截止或切断输入电源。

7  过热保护

    开关稳压器的高集成化和轻量小体积,使其单位体积内的功率密度大大提高,电源装置内部的元器件对其工作环境温度的要求也相应提高。否则,会使电路性能变坏,元器件过早失效。因此在大功率开关稳压器中应该设过热保护。

    采用温度继电器来检测电源装置内部的温度,当电源装置内部产生过热时,温度继电器就动作,使整机告警电路处于告警状态,实现对电源的过热保护。亦可将温度继电器置于开关三极管的附近,一般大功率管允许的最高管壳温度是75℃,调节温度整定值为60℃。当管壳温度超过允许值后继电器就切断电器,对开关管进行保护。

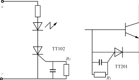
    半导体热敏开关器件“热晶闸管”在超温保护方面有重要作用。它可以用作温度指示电路。根据p型控制栅热晶闸管(TT102)的特性,由RT〔见图8(a)〕值确定该器件的导通温度,RT越大,导通温度越低。当将其放置功率开关三极管附近,或在电源装置内时,它就能起到温度指示作用。当功率管的管壳温度或者装置内部的温度超过允许值时,热晶闸管就导通,使发光二极管发亮告警。

    倘若配合光电耦合器,就可使整机告警电路动作,保护开关稳压器。它亦可以象图8(b)那样用作功率晶体管的过热保护,晶体开关管的基极电流被n控制栅型热晶闸管TT201旁路,开关管截止,切断集电极电流,防止过热。

(a)  采用P型热晶闸管                                           (b)  采用n型热晶闸管

图8  过热保护

8  结语

    以上分别讨论了在开关稳压器中的各种保护方式,并介绍了一些具体实现的方法。对一个给定的开关稳压电源来说,还应从整机保护方面考虑以下几点:

    1)把开关稳压器中所应用的开关三极管限制在直流安全工作区域之内工作。对于选定的开关三极管,由晶体管手册可查得其直流安全工作区。根据集电极电流的最大值来确定输入过电流的保护值。但是,这个瞬时最大值应转换为电流的平均值。在额定输出电流与输出电压的条件下,开关管的动态负载线不超过直流安全工作区的最大输入电压,就是输入过电压保护的电压值。

    2)把开关稳压器的输出限制在所给定的技术指标之内。在所要求的工作温度范围内,开关稳压器的输出电压的上、下限就是输出过、欠电压保护的电压值。过电流保护则可根据最大输出电流来确定。为了不误告警,保护值应适当留一定的余量。

    3)由以上两点确定保护方式之后,再根据电源装置的需要来确定告警措施。一般告警措施有声警和光警两种。声警适用于整机比较复杂、电源部分又装在不显眼的地方,它可以给工作人员以有效的故障告警;光警可以醒目地指示故障告警并指出故障发生的部位和类型。保护措施要视所保护的部位来确定。在大功率,多路电源的场合,总是用交、直流断路器,高灵敏继电器等构成自动保护措施,切断电源的输入使系统停止工作,免受损害。通过逻辑控制电路使相应的开关三极管截止的方案显得既灵敏方便又经济。这样可以省去体积大,响应时间长,价格贵的大功率继电器或断路器。

    4)电源中加设了保护电路之后会影响系统的可靠性,为此要求保护电路本身的可靠性要高,以提高整个电源系统的可靠性,进而提高电源本身的MTBF。这就要求保护的逻辑严密,电路简单、元器件最少,除此而外还要考虑到保护电路本身出故障时维修难度和其所保护的电源损坏程度。

    所以必须全面系统地考虑开关电源各种保护措施,确保开关电源的正常工作和高效率与高可靠性。

参考文献

[1]  李爱文.现代逆变技术及应用[M].北京:科学出版社,2000.

[2]  何希才.新型开关电源设计与应用[M].北京:科学出版社,2001.

[3]  常敏慧.开关电源应用、设计与维修[M].北京:科学文献出版社,2001

来源:电源技术应用0303  作者:杨碧石 蒋…  点击:  录入:admin
收藏此页】【字体: 】【打印此文】【关闭窗口
※相关链接※
网友评论:(只显示最新10条。评论内容只代表网友观点,与本站立场无关!) 发表评论
专 题 栏 目
推 荐 图 书
热 门 文 章
热 门 下 载
热 门 电 路
论 坛 推 荐
精 彩 广 告

关于本站 - 广告服务 - 联系我们 - 版权申明 - 网站地图 - RSS订阅 - 友情链接 - -
Copyright@2004-2014 ◆电源开发网◆ All Rights Reserved