1、引言
随着电子信息技术的发展,交错并联供电方式在通信电源、航空等领域中应用越来越广泛。变换器若能实现并联模块的交错运行,可以减小总的电压和电流纹波、减小电磁干扰,从而带来很多好处。在采用UC3846为控制芯片时,本文使用晶振产生基准频率,经反相器CD74HC04和脉冲计数器74HC4024共同作用后,再与UC3846一起产生振荡频率。这个方法能更好的实现工作频率,同时,在两路电源并行工作时也能很好的解决交错并联时的同步问题。
2、UC3846工作原理
UC3846采用标准双列直插式16引脚(DIP-16)封装。其内部方框图如图1所示。

图1 UC3846内部结构方框图
UC3846有16个引脚。各引脚功能如下:脚1为限流电平设置端;脚2为基准电压输出端;脚3为电流检测放大器的反相输入端;脚4为电流检测放大器的同相输入端;脚5为误差放大器的同相输入端;脚6为误差放大器的反相输入端;脚7为误差放大器反馈补偿;脚8为振荡器的外接电容端;脚9为振荡器的外接电阻端;脚10为同步端;脚11为PWM脉冲的A输出端;脚12为地;脚13为集电极电源端;脚14为PWM脉冲的B输出端;脚15为控制电源输入端;脚16为关闭端。
UC3846的振荡器的频率由外接阻容 、 决定(9脚、8脚)。 的充电电流由恒流源提供。振荡器工作频率由式(1)近似计算式。
(1)
一般在1~500 之间。为了减小噪声对晶振电容的影响,
应选择大于100pF的电容。为了防止两路开关管的互通,要设定两路输出都关断的“死区时间”。
电压为一个锯齿波,其下降时间即为死区时间,死区设置时间为:
(2)
增大,锯齿波下降时间即死区时间就增大。
3 电路设计
反相器CD74HC04(功能图见图2)和脉冲计数器74HC4024(其对应的结构图见图3,逻辑图见图4)

图2 CD74HC04功能图 图3 74HC4024结构图

图4 74HC4024逻辑图
脉冲计数器74HC4024可产生
七种频率,依次为输入脉冲的2分频、4分频、8分频、16分频、32分频和64分频和128分频。
两路电源并行工作的频率产生及同步控制电路见图5。其中U1、U2分别为两个UC3846控制芯片。

图5 两路振荡信号的产生及同步电路 ( 图中二极管改为空心直线通过)
由反相器和脉冲计数器的结构图、逻辑图以及同步电路连接图不难得出74HC4024的1、12、11、9、6脚的波形和CD74HC04的12、8、5、11脚的波形如图6所示。

图6 同步部分各点的波形图
由图6可见,反相器和分频器将晶振产生的脉冲分频分相,得到两路同频反相信号。则电容 与电容 上的信号也是同频反相。将电容 与电容 取相同的值,再将两控制芯片的振荡电容取相同值,即可实现两电源的交错并联。并且在振荡电容的可选条件下,可以更精确地实现工作频率。
4 工作频率设计举例
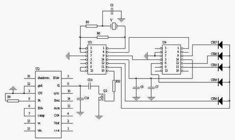
以U2为例,假使设计要求工作频率达到60kHz,具体进行电路的设计如下。
如图7所示,图中U3、U4分别为反相器CD74HC04和脉冲计数器74HC4024。对于单个UC3846来说,其振荡频率的产生是外部振荡电阻和电容共同作用的结果。

图7 振荡频率产生电路
当Q2 导通时,相当于接在C18 上的电容与UC3846的原来外接的振荡电容C14 并联,共同作为振荡电容,与振荡电阻一起产生频率。取C18 远大于C14 ,则在导通过程中C18 上存储的电荷量远大于C14 。当Q2 截止时,C18 将通过C14 迅速放电,使控制芯片的振荡器停止工作,直到Q2 再次导通时UC3846重新开始产生控制脉冲。所以UC3846的振荡频率由C18 和C14 共同决定。即C18 和C14 并联,与振荡电阻Rt一起产生振荡频率。则振荡频率
(3)
故死区时间为
(4)
由于UC3846为双端输出脉宽调制器,故其A、B端的工作频率为振荡器振荡频率的一半。根据设计要求,可取3.579545MHz的晶振,则经32分频后得111.8KHz。C18取4.7nF,将其与UC3846的振荡电容C14并联,与振荡电阻Rt一起产生振荡频率。取C14为100pF,Rt取3.65k ,可得振荡频率

故死区时间为
则可使工作频率达到60kHz,从而达到本设计的频率要求。
5 结论
采用电流型控制芯片UC3846工作时,可通过采用反相器和脉冲计数器分频分相,从而实现两电源模块的交错并联。本文给出了设计的原理电路并进行设计举例,证明了该方法的可行性。
参考文献
[1] 李宏, 电力电子设备用器件与集成电路应用指南第二册[M]. 北京:机械工业出版社,2001,12~108;
[2] 张国兵,杜少武,徐宁. 38V/100A可直接并联大功率AC/DC变换器[J]. 电源技术应用,2004,17(1):23~27;
[3] 王凤岩,许峻峰,吴松荣,许建平. 基于电流型控制的矿用列车车载通信电源的设计[J].机车电传动,2004,No.5:27~30;
[4] 李宪政,戴刚,张友权. 电流型PWM控制器UC2846及其在逆变弧焊电源中的应用[J].焊接技术,1996,No.3:20~24;
[5] 刘岩,常佶,田立欣. 电流控制型开关电源[J]. 现代电子技术,2001,No.10:60~62。