开关电源因体积小、功率因数较大等优点,在通信、控制、计算机等领域应用广泛。但由于会产生电磁干扰,其进一步的应用受到一定程度上的限制。本文将分析开关电源电磁干扰的各种产生机理,并在其基础之上,提出开关电源的电磁兼容设计方法。
开关电源的电磁干扰分析
开关电源的结构如图1所示。首先将工频交流整流为直流,再逆变为高频,最后再经整流滤波电路输出,得到稳定的直流电压。电路设计及布局不合理、机械振动、接地不良等都会形成内部电磁干扰。同时,变压器的漏感和输出二极管的反向恢复电流造成的尖峰,也是潜在的强干扰源。

图1 AC/DC开关电源基本框图
1 内部干扰源
● 开关电路
开关电路主要由开关管和高频变压器组成。开关管及其散热片与外壳和电源内部的引线间存在分布电容,它产生的du/dt具有较大幅度的脉冲,频带较宽且谐波丰富。开关管负载为高频变压器初级线圈,是感性负载。当原来导通的开关管关断时,高频变压器的漏感产生了反电势E=-Ldi/dt,其值与集电极的电流变化率成正比,与漏感成正比,迭加在关断电压上,形成关断电压尖峰,从而形成传导干扰。
● 整流电路的整流二极管
输出整流二极管截止时有一个反向电流,其恢复到零点的时间与结电容等因素有关。它会在变压器漏感和其他分布参数的影响下产生很大的电流变化di/dt,产生较强的高频干扰,频率可达几十兆赫兹。
● 杂散参数
由于工作在较高频率,开关电源中的低频元器件特性会发生变化,由此产生噪声。在高频时,杂散参数对耦合通道的特性影响很大,而分布电容成为电磁干扰的通道。
2 外部干扰源
外部干扰源可以分为电源干扰和雷电干扰,而电源干扰以“共模”和“差模”方式存在。同时,由于交流电网直接连到整流桥和滤波电路上,在半个周期内,只有输入电压的峰值时间才有输入电流,导致电源的输入功率因数很低(大约为0.6)。而且,该电流含有大量电流谐波分量,会对电网产生谐波“污染”。
开关电源的EMC设计
产生电磁干扰有3个必要条件:干扰源、传输介质、敏感设备,EMC设计的目的就是破坏这3个条件中的一个。针对于此,主要采取的方法有:电路措施、EMI滤波、屏蔽、印制电路板抗干扰设计等。
1 降低开关损耗和开关噪声的软开关技术
软开关是在硬开关基础上发展起来的一种基于谐振技术或利用控制技术实现的在零电压/电流状态下的先进开关技术。
软开关的实现方法是:在原电路中增加小电感、电容等谐振元件,在开关过程前后引入谐振,消除电压、电流的重叠。图2给出了一种使用软开关技术的基本开关单元。

图2 降压斩波器中的基本开关单元
2 减小干扰源干扰能量的缓冲电路
在开关控制电源的输入部分加入缓冲电路(见图3),其由线性阻抗稳定网络组成,用于消除电力线干扰、电快速瞬变、电涌、电压高低变化和电力线谐波等潜在的干扰。缓冲电路器件参数为D1为MUR460,R1=500Ω,C=6nF,L=36mH,R=150Ω。

图3 缓冲电路
3 切断干扰噪声传播路径的EMI滤波
在开关电源输入和输出电路中加装EMI滤波器,是抑制传导发射的一个很有效方法。其参数主要有:放电电阻、插入损耗、Cx电容、Cy电容和电感值。其中,插入损耗是滤波器性能的一个关键参数。在考虑机械性能、环境、成本等前提下,应该尽量使插入损耗大一些。用共模、差模干扰的测量结果与标准限值,加上适当的裕量可得到滤波器的插入损耗IL。
ILCM(dB)=Vcm(dB)-Vlimt(dB)-3(dB)+M(dB) (1)
ILDM(dB)=VDM(dB)-Vlimt(dB)-3(dB)+M(dB) (2)
式中,3dB表示在分离共模、差模传导干扰的测试过程中测试结果比实际值大3dB;M(dB)表示设计裕量,一般取6dB;Vlimit(dB)为相关标准如CISPR,FCC等规定的传导干扰限值。
图4是220V/50Hz交流输入的开关电源交流侧EMI滤波器的电路。Cy=3300pF,L1、L2=0.7mH,它们构成共模滤波电路,抑制0.5~30MHz的共模干扰信号。Cx=0.1μF,L3、L4=200~500μH,采用金属粉压磁芯,与L1/L2、Cx构成L-N端口间低通滤波器,用于抑制电源线上存在的0.15~ 0.5MHz差模干扰信号。R用于消除可能在滤波器中出现的静电积累。

图4 开关电源交流侧EMI滤波器电路
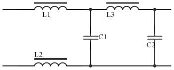
图5是开关电源的直流输出侧滤波电路,它由共模扼流圈L1、L2,扼流圈L3和电容C1、C2组成。为了防止磁芯在较大的磁场强度下饱和而使扼流圈失去作用,磁芯必须采用高频特性好且饱和磁场强度大的恒μ磁芯。

图5 支流侧滤波电路
4 用屏蔽来抑制辐射及感应干扰
开关电源干扰频谱集中在30MHz以下的频段,直径r<λ/2π,主要是近场性质的电磁场,且属低阻抗场。可用导电良好的材料对电场屏蔽,而用导磁率高的材料对磁场屏蔽。此外,还要对变压器、电感器、功率器件等采取有效的屏蔽措施。屏蔽外壳上的通风孔最好为圆形,在满足通风的条件下,孔的数量可以多,每个孔的尺寸要尽可能小。接缝处要焊接,以保证电磁的连续性。屏蔽外壳的引入、引出线处要采取滤波措施。对于电场屏蔽,屏蔽外壳一定要接地。对于磁场屏蔽,屏蔽外壳不需接地。
5 合理的PCB布局及布线
敏感线路主要是指控制电路和直接与干扰测量设备相连的线路。要降低干扰水平,最简单的方法就是增大干扰源与敏感线路的间距。但由于受电源尺寸的限制,单纯的增大间距并非解决问题的最佳途径,更为合理的方法是根据干扰电场的分布情况将敏感线路放在干扰较弱的地方。PCB抗干扰布局设计流程如图6所示。

图6 PCB抗干扰布局设计流程
作者:中国电子集团金蜂通信公司 陈永春 北京铁通 许树新