带非正弦波电流的新颖数字式功率因数校正技术
周立凯1,周静2
(1山东省临沂市电子研究所,山东临沂276004)
(2山东大学电子工程系,山东济南250100)
1引言
迄今为止,基于功率因数校正(PFC)控制器IC的有源PFC(升压)预调节器,不论是工作于不连续导电模式(DCM),还是工作于连续导电模式(CCM),其控制和调节的结果,都是在系统AC电压输入端产生与AC输入电压同相位的正弦波电流,使线路功率因数(PF)趋于1。
一种基于标准微控制器(如ST9)和UC3843电流型PWM控制器的PFC升压式预调节器,利用新颖的数字PFC技术,在系统AC电压输入端产生非正弦波电流,同样能使其电流谐波含量满足IEC100032等标准的限制要求,系统功率因数接近于1。该数字PFC的静态和动态响应,对于许多应用尤其是工业中电机驱动和家电领域中的应用,都可以满足其性能要求和安全要求。
2基本方案与设计思路
与在桥式整流器输入端产生正弦波电流的有源PFC预调节器一样,采用升压式拓扑结构,在AC线路输入端产生一个非正弦波电流,顶部比较平坦且宽度较大,如图1所示。这种简单的解决方案将电流谐波电平置于标准限值之下。
在图1所示的AC输入电源电流(Imains)波形中,设平顶限制电流值为IL,在AC输入电压的每个半周期的开始与结束时刻附近,即AC输入电压为0或比

图1PFC预调节器在AC电压输入端产生非正弦波电流
带非正弦波电流的新颖数字式功率因数校正技术

图2相应于输入功率500W的PFC预调整器AC输入电流波形

图4稍微改变上升沿和下降沿时刻,产生5A的
AC输入电流,相应输入功率为1000W

图5图4所示的电流波形奇次谐波测试值与标准限制值比较

图3图2所示的电流波形奇次谐波与标准限制比较

图6基于ST9和UC3843的数字PFC
升压预调节器组成简化图
较低时,AC输入电流为0或取05IL。这种电流波形包含谐波分量,但每一个高次谐波分量必须保持在标准规定的限制之内。利用付立叶变换可以计算出保持谐波在允许值的IL的最大值。一个输入功率为500W的PFC预调节器的AC输入电流如图2所示。由图2可知,在2~8ms之间,IL=2.8A,50Hz的基波电流是2.18Arms。
图3示出了图2所示的电流波形的奇次谐波实测值与标准(如IEC555、IEC100032和EN6055)规定的限制值之比较。其中,19次和21次谐波主要限制AC输入电流IL最大许可值达到28A,限制可利用的功率达到500W。
理想的电流波形允许有效的输入功率增加。通过稍微改变电流上升沿和下降沿的时间,在AC输入端可以产生5A的线路电流,基波电流为43Arms,有效的输入功率达1000W。这种AC输入电流波形如图4所示。图5为其奇次电流谐波测试值与标准限制之对比。从图5可以发现,电流谐波发生了变化,19次和21次谐波幅值减小,而3次和5次谐波值却增加,但并不超过标准规定限值。
3基本拓扑结构与工作原理
31数字PFC预调节器基本拓扑结构及调节环路
基于ST9微控制器和UC3843电流型PWM控制IC的数字PFC升压式预调节器组成简图如图6所示。该拓扑结构通过负载传递所需要的功率,并在AC电压输入端产生非正弦波电流。AC输入电流的控制和所需要的DC输出电压调节,是通过两个闭环实现的。
311DC输出电压调整环路
当负载变化时,为保持PFC预调节器DC输出电压不变,利用电阻分压器对输出电压进行检测(取样),同时还利用了ST9微控制器的一个信道监测输出电压。电流调节环路的设定值利用输出DC电压的变动来计算,并由PWM型微控制器内的一个定时器提供。在经过滤波之后,得到一个参考电压Vref。
3.1.2电流调节环路
电流调节环路以比较器、触发器和功率开关晶体管为基础,来控制电流波形。输出电压调节环路给出的滤波后的PWM参考电压Vref,与电感侧电压相比较,确定通过斩波晶体管中的峰值电流IL。晶体管中

图7数字PFC预调节器相关波形
的PWM电流通过来自微控制器的时钟被同步,图7示出了相关电压和电流波形。 在时钟脉冲上升沿,触发器置位,功率晶体管导通,电感器L中电流增加。当电流达到由Vref给出的限制IL时,触发器复位,功率晶体管截止。UC3843内含一个比较器、一个触发器和一个15V的缓冲器,能直接驱动PFC开关(MOSFET)。
32整形AC输入电流波形及电压调节原理
为了得到图2所示的电流波形,必须计算IL值。电流波形在AC线路电压过零时同步,利用微控制器A/D转换器的一个通道来执行过零检测。在检测之后新产生的占空因数随AC线路电压过零被应用。0%、50%和100%三个系数自动地应用于每个(半)周期特定时刻(1、2、8和9ms)的PWM值上。 为研究电压调整原理,可借助于图8所示的简化图。选取Cout=220μF,AC输入线路电压Vline=220V,Vout=400V,输出功率从0到400W变化。在负载变化时,电压调整环路保持输出电压(Vout)恒定。通过开环中测量,得到的占空因数变化量Δδ与输出电流变化量ΔIout之间的关系为
Δδ(%)=50×ΔIout(A)(1)
微控制器借助于A/D转换器,在每一个正弦周期之内取样一次输出电压值,通过计算测量与存储在存储器中的输出电压目标值(Vtgt)之间的差异,根据先前PWM占空因数的变更(±Δδ)对检测的误差(ε)进行补偿。于是,新形成的占空因数为
δ%=δn-1(%)+Δδ(2)
为实现静态和动态输出电压的调整,微控制器利用两个相邻的输出电压采样,去计算静态误差ε和它的变化速率dε/dt,如图9所示。
33静态和动态误差补偿
331静态误差补偿
微控制器对于输出电压的每一个采样值,计算出其与存入存储器中的目标电压Vtgt之间的误差εn
εn=Vout-Vtgt@tn(3)
为了补偿该误差,微控制器需要计算电流变化量(ΔIout),以在固定时间(Δt)期间,完成对电容器的充电。该时间值的选择,给出电压补偿的响应时间。ΔIout可用式(4)表示
ΔIout=-C(4)
根据式(1)和式(4),可以得到为补偿电压误差需要的占空因数的变化
Δδ(%)=-50C=S·εn(5)
式(5)中,S为静态补偿参数,它取决于输出电容器的电容值和所确定的响应时间(Δt)。
若选择C=220μF,Δt=50ms(比采样周期时间多于5倍),可以得到:Δδ(%)=-50··εn=-0.22εn(6)
例如,若检测10V的欠电压,占空因数将增加22%,50ms后面的电压变化将完全被抵消。
3.3.2动态补偿
在两个相邻的输出电压取样中,涉及先前的测量,微控制器计算误差变化率dε/dt=(7)
输出电压变化率来自输出电容器输入电流和输出电流之差ΔI,它可表示为ΔI=C(8)

图8数字PFC预调节器电压调整原理简图

图9输出电压静态误差ε及其变化速率dε/dt取样示意图
()
带非正弦波电流的新颖数字式功率因数校正技术
根据式(1)和式(8)可得到δ的变化量δ(%)=-50ΔI=-50C=D·dε(V)(9)
动态补偿参数D取决于输出电容(C)和两个相邻测量之间的时间间隔(dt),该参数与静态参数S一样,必须适应专门的应用,并存入微控制器存储器中。由于选取C=220μF,并选取dt=10ms,根据式(9)可得
Δδ(%)=-1.1·dε(10)
例如,若在两个相邻测量之间检测电压是50V,占空比必须增加55%,并立即停止该电压变化速率。
根据式(5)和式(9)可得,在每一次电压测量之后,占空因数总的变动可表示为
Δδ(%)=S·εn+D·dε(V)(11)
在式(11)中,S=-50C/Δt,D=-50C/dt。在选择C=220μF、Δt=50ms和dt=10ms情况下,式(11)变为
δ(%)=-0.22εn-1.1dε(V)(12)
34电压测量和过零检测程序
为了获得良好的抗噪扰性能,避免错误的电压测量,采用带软件的数字滤波器可以履行这一功能。滤波器使三次输出电压测量进行平均,每次测量间隔100μs。
为使电流波形与AC输入电压同步,通过软件进行过零检测。每1ms上的AC电压被感测,在周期结束之前,A/D转换器变化到连续变换模式。当输出电压通过50V时,一个跨零信号经过0.5ms延迟之后产生。在没有跨零检测时,利用电流时基定时器保持同步。
35安全功能
通过微控制器A/D转换器每μs对输出电压进行自动测量一次,软件安全有可靠保证。当输出电压达到450V时,输出过电压检测将停止PFC。当输出电压降至420V以下时,系统再次启动。借助于其它A/D转换器信道,依靠软件支持,其它的安全功能有以下几个方面:
1)功率MOSFET栅极电压监视当栅极电压低于13V时,系统停止运行;
2)DC输出电压监视在接通时如果输出电压高于预确定值,仅PFC功能启动;
3)AC输入电压监视如果AC输入电压太低,系统则停止操作;
4)短路检测与保护。
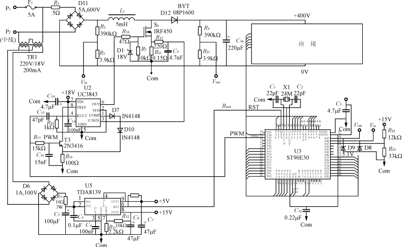
4实际应用与效果
一个实际的数字PFC升压预调节器电路如图10所示。在图10中,TDA8139的15V和5V输出,为UC3843和ST90E30提供工作电压。PFC升压变换器DC输出电压是400V,加载一个400W的电阻性负载。PFC借助于ST9微控制器的一个多功能定时器(用于PWM产生)和A/D转换器的三个信道(用于电压监视)去控制。微控制器的大多数特征和CPU占用时间空闲,因而它同时可以控制一个被结合的复杂应用。微控制器包含的主要闲置功能包括一个多功能定时器、4个A/D转换器通道、一个串行通信接口(SC1)、一个串行外部接口(SP1)、一个看门狗定时器和存储器存取控制器。ST9微控制器能管理和控制PFC预调整器和三相感应电机驱动变换器,同时还结合总线(BUS)管理。
对于400W的负载,采用数字PFC预调节电路的AC输入电流波形与未采用PFC时电流波形比较如图11所示。
采用了数字PFC后,AC输入电流与AC电压同相位,输出电压纹波仅为15Vpp(降低60%左右),峰值AC输入电流由7A降至2A。当AC输入电压从140V升至300V时,DC输出电压(400V)变化量低于2%。利用付立叶变换原理对AC输入电流的谐波进行测试,采用数字PFC和未采用时的测量结果如表1所列。
表1谐波电流测试结果比较ImainsPRL=400W谐波n(次)
12345
带PFCIrms/A1.801.700.070.2500
无PFCIrms/A3.02.01.01.01.00
从表1可知,采用数字PFC后的电流谐波明显减小。尽管在桥式整流器输入端产生的是非正弦波电流,但系统功率因数仍可达0.99,比不采用PFC提高04左右。
数字PFC还具有优良的动态响应特性。当负载从50W到450W变化时,最大瞬态输出电压仅40V,并在100ms之内回复到设定值(400V)。
5结语
综上所述,带非正弦波电流的数字PFC为PFC
德州仪器推出新型即用电源模块
为加速设计产品的上市时间,德州仪器公司(TI)日前宣布推出基于其SWIFTTMDC/DC转换器的新型即用电源模块。该模块可提供高达6A的输出电流及较低的输入电压,所有这些均集中于外形小巧、功能齐全、并可直接焊接到系统主板上的解决方案中。这款易用型SWIFT模块适用于负载点应用,如通信、联网、计算机及各种其它应用中的数字信号处理器(DSP)、ASIC、FPGA、微处理器与微控制器等。
TI的PT5400SWIFT电源模块将TPS54610SWIFT调节器与所需的外部组件进行了完美结合,形成了具有3.3V与5V的输入电压以及1.0~3.3V输出电压的全套电源解决方案。通过添加外电阻器可实现更高级的输出电压调节。该模块的效率极高,在输出电流为4A时效率为93%。该电源模块在设计方面的灵活性及保护功能还包括短路保护、待机、输出禁止和热关断。

图10基于ST9和UC3843的数字PFC电路

图11带数字PFC与未采用PFC时AC输入电流波形比较
(a)不带PFC
(b)带PFC
技术提供了一种新的方法。这种方法同样能保证AC输入电流谐波畸变不超过标准规定的限制,系统功率因数接近于1。