有源电力滤波器主电路研究
李建林,张仲超
(浙江大学,浙江 杭州 310027)
1 引言
随着电力电子技术的飞速发展,大功率开关器件被大量应用到各种电源装置中,为各种设备提供了一个高速、高效、节能的控制手段。但是,由于利用开关的通断对电能进行变换,必然会产生无功电流和高次谐波,引起波形失真,对电力系统各项设备及其用户和通信线路产生日趋严重的有害影响。传统的无源补偿装置是并联电容器或LC滤波器,其阻抗固定,不能跟踪负荷无功需求的变化,远远不能满足电力系统对无功功率和谐波进行快速动态补偿的要求。有源电力滤波器(简称APF)是一种用于动态抑制谐波和补偿无功的新型电力电子装置,它能对大小和频率都变化的谐波和无功分量进行实时的补偿,又被称为静止无功发生器(SVG)。作为柔性交流输电系统(FACTS)中的重要部分,APF的研究受到了各国学者的高度重视。
如何实现大功率有源电力滤波器已取得了不少的研究成果。对于大容量的电力电子装置,如果简单地采用普通电路的主电路拓扑,则对所使用的电力电子器件在容量方面有比较高的要求。由于电力电子器件随着容量的增大其所允许的开关频率却越来越低,而较低的开关频率又直接影响有源电力滤波器的补偿效果,所以在将有源电力滤波器用于大容量谐波补偿时就面临着器件开关频率与容量之间的矛盾。为解决这一矛盾,国内外学者提出了各种性能优越的有源滤波器主电路拓扑结构。要实现大容量的谐波补偿或实现有源补偿功能的多样性,需要APF具有较大的装置容量。但由于受目前电力电子器件功率、价格及其串并联技术等的限制,这势必使装置初始投资变大,并且大容量的有源电力补偿还将带来大的损耗、大的电磁干扰以及制约APF的动态补偿特性等问题。因此,各种性能优越的混合型补偿方案的研究应运而生。本文将几种应用比较广泛的拓扑进行归拢比较,指出它们各自的优缺点,并在此基础上提出了基于载波相移技术的电流型APF和级联型APF结构。
2 APF的工作原理及其分类
对APF可以这样来定义:将系统中所含有害电流(高次谐波电流、无功电流及零序负序电流)检出,并产生与其相反的补偿电流,以抵消输电线路中有害电流的半导体变流装置。变流装置在检测系统的控制下将直流电能转化为有害电流所需要的能量,或者说:补偿装置所产生的电流波形正好与有害电流的频率幅值完全相同,而相位正好相差180°,从而达到了补偿有害电流的效果。作为一种用于动态抑制谐波、补偿无功的新型电力电子装置,APF能对大小和频率都变化的谐波以及变化的无功进行实时补偿。它的主电路一般由PWM逆变器构成。根据逆变器直流侧储能元件的不同.可分为电压型APF和电流型APF。如图1和图2所示,电压型APF直流侧接有恒压大电容;电流型APF的直流侧接有恒流大电感。电压型APF在工作时需对直流侧电容电压控制,使直流侧电压维持不变,因而逆变器交流侧输出为PWM电压波。而电流型APF在工作时需对直流侧电感电流进行控制,使直流侧电流维持不变,因而逆变器交流侧输出为PWM电流波。电压型APF的优点是损耗较少,效率高,是目前国内外绝大多数APF采用的主电路结构。虽然电压型APF在降低开关损耗、消除载波谐波方面占有一定优势,但电流型APF能够直接输出谐波电流,不仅可以补偿正常的谐波,而且可以补偿分数次谐波和超高次谐波,并且不会由于主电路开关器件的直通而发生短路故障,因而在可靠性和保护上占有较大的优势。随着超导储能磁体的研究,一旦超导储能磁体实用化,必可取代大电感器,促使电流型APF的应用增多。
图1 电压型APF

图2 电流型APF
2.1 新型电流型APF
在许多文献中,对电压型的有源滤波器讨论较多,主要原因是电压型有源滤波器用电容储存能量,其效率高于电感储存能量。此外,电压型变流器的交流增益较高。但是,电流型有源滤波器也有许多优于电压型有源滤波器的特点[1],[2]:
1)电流型有源滤波器直接控制电流,而电压型有源滤波器通过控制电压间接控制电流,对于并联型有源滤波器场合,电流型有源滤波器有更好的电流控制能力;
2)电流型有源滤波器中,采用L-C滤波器,这种结构能在传输带宽与抑制高次谐波之间做出较好的折中,在同样的开关频率和输出相同的谐波能量时,电流型有源滤波器滤除开关谐波的效率高于电压型有源滤波器;
3)电流型有源滤波器保护更容易,工作稳定性更高。
载波相移SPWM技术[3]的本质是自然采样SPWM技术和多重化技术的有机组合,该技术可以在较低的器件开关频率下取得与较高开关频率等效的结果。不但使SPWM技术应用于特大功率场合成为可能,而且在提高装置容量的同时,有效地减小了输出谐波,提高了整个装置的信号传输带宽。这就解决了大功率装置与器件开关频率较低的矛盾,可使GTO等特大功率器件组成的变流器用于APF装置。我们提出了一种实用于APF的基于载波相移SPWM技术的电流型变流器。与SPWM技术相比,采用这项技术来消除相同的谐波所需的开关频率更低。
基于载波相移SPWM技术的电流型APF系统如图3所示。图中有N个电流型变流器单元。在此,电流型变流器单元指一般三相六开关电流型变流器。开关由可关断器件(如IGBT)和二极管串联构成如图3(b)所示。N个电流型变流器单元在交流侧并联组成电流型组合变流器,L、C构成二阶低通滤波器滤除开关频率谐波,图3(b)中电阻R为电感及线路中寄生电阻,然后直接并入电网。直流侧采用各个变流器单元相互独立的结构,以便实现均流反馈。由于CPS-SPWM组合变流器输入与输出之间具有良好的线性传输关系[4],所以可以方便地引入一些优秀的控制方法。
(a) 单模块

(b) 多模块
图3 基于载波相移SPWM技术的电流型APF
图4 并联型APF
2.2 APF基本拓扑结构
根据APF与电力系统的连接方式可将其分为并联型、串联型及串-并联混合型。图4所示为并联型APF,由于与系统并联,可等效为一个受控电流源。并联型APF可产生与负载谐波或无功电流大小相等、相位相反的补偿电流,从而将电源侧电流补偿为正弦波。并联型APF主要用于感性电流源型负载的谐波补偿,目前技术上已相当成熟,投入运行的APF多为此方案。图5为串联型APF,通过变压器串联在电源与负载间,可等效为一受控电压源,主要用于消除带电容的二极管整流电路等电压型谐波源负载对系统的影响,以及系统侧电压谐波与电压波动对敏感负载的影响。串联型APF中流过的是正常负载电流,损耗较大,而且投切、故障后退出及各种保护也较复杂。图6所示为串-并联型APF,其兼有串、并联型APF的功能,可解决配电系统发生的绝大多数电能质量问题,具有较高性价比。
图5 串联型APF
图6 串-并混合型APF
采用基本拓扑结构的APF有如下局限性:
1)当负载基波无功和谐波电流含量大时,APF装置的容量也必须很大;
2)三相逆变器输出直接承受电网电压(并联方式)或电网电流(串联方式);
3)初期投资大,运行费用高。
因而,研究人员在改进APF主电路的拓扑结构上进行了许多尝试。由于APF造价高,运行损耗大,容量受到限制,因此,将无源滤波器与有源滤波器组合起来,构成混合型有源滤波器在目前无疑是一种较好的方案。但从长远角度看,随着电力电子器件成本不断下降,它将被性价比更高的串-并联有源滤波器所代替。
2.3 无源与有源混合型APF
大容量的有源滤波器由于造价高、功耗大,在实际应用中受到限制。为了获得较好的滤波特性,又尽可能降低造价,人们开始研究无源与有源混合应用的方法,提出了串联有源滤波器与并联无源滤波器共用的方案[6];带串联L-C电路的有源滤波器方案[6][7];以及两个有源滤波器与一组无源滤波器的电力线调节器方案。
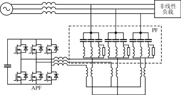
综合电力滤波系统主电路结构如图7所示。在图7(a)中,对于负载侧的谐波电流源,有源滤波器被控制为一个等效谐波阻抗,它使无源和有源滤波器总的串联谐波阻抗对各次谐波都为零,从而使所有的负载谐波电流全部流入无源滤波器支路,达到提高无源滤波器滤波效果的目的,此时有源滤波器的输出补偿电压为所有负载谐波电流流过无源滤波器时产生的电压。对于电源电压中的畸变电压,有源滤波器被控制产生与其相同的谐波补偿电压,以抑制电源电压畸变产生的谐波电流。由于有源滤波器不是直接对谐波电流进行消除,而是起到提高无源滤波器滤波效果的目的,它所产生的补偿电压中不含有基波电网电压,只含有谐波电压,故其功率容量很小,具有良好的经济性,适于对大容量的谐波负载进行补偿。在图7(b)中,该混合电力滤波器的特点是:利用无源滤波网络滤去5、7次等低次电流谐波,并进行基波无功功率的补偿,使有源滤波器不直接承受电网电压和负载的基波电流,仅起负载电流和电网电压的高次谐波隔离器的作用,因而有源滤波器的容量可以设计得较小,利用串联的有源滤波器增加高次谐波阻抗而对基波无影响的特性,可以改善无源滤波器的滤波效果,防止与电网之间发生谐振;同时,也避免了并联有源滤波器的谐波电流注入并联的无源滤波器形成谐波短路的现象,提高了有源滤波器的有限容量的利用率。但是,在该种拓扑中,有源滤波器的性能很大程度上决定于电流互感器的特性。
(a) APF与PF并联
(b) APF与PF串联
图7 综合电力滤波系统主电路结构图
图8所示为新型混合有源滤波器拓扑,该拓扑具有以下几个优点:
1)采用开关频率较低的IGBT构成的逆变器来进行无功补偿;
2)由开关频率高,耐压较低的MOSFET构成的逆变器进行谐波电流补偿;
3)IGBT和MOSFET逆变器共享直流测电压,简化了控制;
4)IGBT直流侧所需电压可大大降低,因为它的主要作用是维持基波电压。因而与传统的APF相比,该APF系统工作的电压等级更低;
5)高频逆变器的输出侧采用变压器隔离,可消除大部分干扰。
图8 新型混合有源滤波器结构图
2.4 级联型大功率APF
对于大功率的电力电子装置,在使用有源电力滤波器进行谐波抑制和无功补偿时,相应地要求有源电力滤波器要具有较大的容量。如前所述,当有源电力滤波器用于大容量谐波补偿时将面临着器件开关频率与容量之间的矛盾。目前工业现场中常采用多台小容量有源电力滤波器并联,尤其对一些具有电流源性质的设备。这种方案的补偿控制原理如图9所示,其中,APF是并联型有源电力滤波器;K是投切开关。每个APF有各自的主电路和控制电路,各APF的控制和补偿由其自身来完成。其优点在于每个有源电力滤波器具有相对的独立性,当其中某一个APF出现问题时,并不影响其它APF的工作。其不足之处主要在于各有源电力滤波器输出的补偿电流之间缺乏协调控制,波形没有进一步改善,且控制电路的数量相对较多。近年来,为抑制大功率电力电子装置谐波源所产生的谐波,已研究出多种多重化的主电路拓扑,比较有代表意义的是级联型多电平变流器[8]。这种变流器相对于二极管钳位型多电平变流器、电容钳位型多电平变流器,有以下优势:
1)开关器件和电容承受的负荷相同,器件开关频率相同;
2)所用器件较少,为了获得同样的电平数在三者中使用的器件数最少;
3)输出谐波低;
4)各模块结构相同,可以实现模块化设计和组装,无须额外设置钳位二极管或平衡电容,易于多重组合、安装、调试;
5)这种结构可以利用软开关技术,能够减小缓冲电路的尺寸甚至可以采用无缓冲电路。
图9 多个APF补偿时连线示意图
基于这种变流器,我们提出一种如图10所示的由级联型变流器构成的并联型APF。这种有源电力滤波器的特点是:
1)各单相全桥模块的器件在基频下开通关断,所以电磁干扰和开关损耗小,效率高,而等效开关频率高且不需要通过变压器级联;
2)解决了大功率装置容量与器件开关频率低的矛盾;
3)为了获得同样的电平数在多电平变流器中使用的器件数最少;
4)由于每个模块采用相同的电路结构,可以实现模块化设计和组装,无须额外设置嵌位二极管或平衡电容,且开关管工作状态和负荷一致;
5)基于低压小容量变换器级联的组成方式,技术成熟,易于模块化,直流侧容易实现电压均衡;
6)可采用软开关技术,以避免笨重、耗能的阻容吸收电路。
因此,由级联型变流器构成的并联型APF比较适合于中、低压电网的无功补偿和谐波抑制。

图10 由级联型变流器构成的并联型APF
3 结语
APF作为消除电力公害、改善供电质量的有力工具,在美国、日本等工业发达国家已经得到了日益广泛的应用。特别是在日本,APF已经达到普及应用阶段。电网中的谐波源性质不尽相同,为了更好地达到抑制电网谐波源的效果,对不同的谐波源负载应该采用相应的拓扑结构来充当APF的主电路。总之,低损耗、低价格及大功率、高频率的APF是其发展方向。