准谐振式反激式开关电源IRIS4015原理及设计要点
陈 颖 陈永真 辽宁工学院
摘 要:本文介绍了准谐式反激式开关电源IRIS4015的工作原理,并介绍了应用其进行电源设计的电路和在设计中应特别注意的几个方面。
1 前 言
目前单片开关稳压电源有多种多样,如TOPswitch.Tinyswitch.coolset等,这些单片开关稳压电源均工作在硬开关状态,开关损耗和EMI较大。为克服硬开关的缺点可用软开关工作方式。在反激式开关电源中以无损耗缓冲电路和准谐振工作方式最为简单,而且准谐振工作方式可以实现零电压的开通和关断,在各种准谐振的解决方案中IRIS4015是一种很好的方案。
2 IS4015工作原理分析
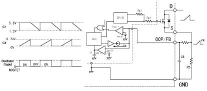
IRIS4015是单片准谐振式反激式开关电源中MOSFET和控制IC的集成,如图1,有五个功能引脚:源极(S)、漏极(D)、控制IC的接地端(GND)、电源(Vcc)、过电流和电压反馈输入端(OCP/FB)。

图1 ISIR4015内部原理框图
IRIS4015可以工作在准谐振模式下,该模式下频率可变,在轻载和高电源电压下达最大。IRIS4015具有各种保护电路如:温度补偿的逐个脉冲过电流保护(OCP)、过电压锁定保护(OVP)、热关闭电路(TSD);启动电流最大不超过100uA,有源低通滤波器可使轻载时稳定度提高;内置温度补偿基准电压;具有可调门驱动;并且可以通过外部元件调整开关速度用于EMI控制。
2.1 IRIS4015工作原理如下:
IRIS4015的启动工作方式UC3842相似,不再赘述。注意:启动电阻Rs和启动电容C2的取值范围如下:
C2:22μF — 100μF
Rs:47KΩ — 68KΩ (输入电压110伏)
82KΩ — 150KΩ (输入电压220伏)
反馈和控制电路工作
振荡器和限流控制方式
振荡器利用IC中C2的充放电产生脉冲信号确定MOSFET的关断时间,如图2,这是IC在没有电压控制反馈时,振荡器的工作过程。当MOSFET导通时,内置C1被充电到约5.6V,漏极电流ID流过R5产生压降VR5(其波形为ID的锯齿波),VR5被反馈到OCP/FB端来控制初级电流(初级电感电流控制方式),当OCP/FB端电压达到门限电压Vth(1)(0.73V)时,比较器1改变状态,振荡器输出关断信号,MOSFET关断。

图2 振荡器与限流工作方式
当MOSFET关断时C1开始被缓慢放电,C1电压下降,其下降过程由C1值和放电电流确定,当C1的值降到1.2V左右时,振荡器输出导通信号,MOSFET重新导通,同时C1瞬间充电到5.6V左右,电路重复以上振荡周期。上述由VR5(ID)的斜率确定的时间就是MOSFET的导通时间,C1和直流放电电路所确定的固定时间是MOSFET的关断时间,这个固定时间被直流放电电路限制在50μS左右。
2.2 次级电压控制方式
次级输出为电压控制方式,如图3所示,在输出端设计的过电压使光耦合器的LED中有电流流过,引起反馈电流流过光电耦合器的三极管,并依次流过R4和R5,产生压降VR4和VR5,使COMP1反向所需的VR5电压(ID的峰值)被VR4(由FB电流产生)控制。因此如图4所示:

图3 次级电压控制方式
VR4在OCP/FB端产生附加直流偏置电压,通过这一附加偏置电压缩短OCP/FB端电压达到门限电压V th(1)的0.73V所需的时间来降低MOSFET的导通时间。这将导致反向变压器的储能降压,通常,来自VR4的偏压在轻载时增加,而且MOSFET导通时冲击电流产生的噪声能使比较器1误动作,为避免这个问题,可在MOSFET截止时,用一个无源低通滤波器R4、C5和有源滤波器来减小OCP/FB与GND之间的动态静态阻抗,有源低通滤波器是OCP/FB端与地之间的一个1.35mA直流旁路,它将使MOSFET导通时OCP/FB端的静态阻抗降低一半左右,而MOSFET导通时产生噪声由C5来吸收。

图4 次级电压控制对脉冲宽度的影响
2.3 准谐振工作方式的分析
准谐振方式是在VDS最小情况下的情况下,由初级线圈电感和一个缓冲电容器提供一个控制MOSFET开通 的谐振信号,以降低开关损耗。在这种工作模式下的OCP/FB将高于Vth(2)=1.45V(最大6V),当这个电压维持在Vth(1)以上时,MOSFET保持关断状态(注意:准谐振信号最小持续时间1us)。因此,准谐振模式下的谐振频率的一半周期用来使MOSFET导通。漏极和源极之间的谐振电容C3与变压器初级电感形成谐振电路,在控制绕组D与OCP/FB端加一个由C3、D4、R5组成的延迟电路产生准谐振信号,在MOSFET截止时控制比较器2并触发准谐振方式。

图5 谐振工作方式的应用电路
由于延迟电路的存在,即使变压器上的全部能量都传送到次级线圈,反馈到OCP/FB的准谐振信号也不会立即下降,这是因为C4和C5由有源滤波器(1.35mA的电流吸收器)和R6、R7的复合阻抗放电,某周期后,电压降到Vth(1)或低于它,延迟时间取决于初级电感和C3。调整C4使得当MOSFET和VDS达到准谐振信号的最低点时,MOSFET导通,因此延迟时间由C4和C5的放电时间确定,即使没有C4,也会有一段延迟时间,当OCP/FB端和GND之间的最大电压为6V时,准谐振信号必须低于这个电压。
3 电路设计要点
变压器源极电感LP的计算
(1)
其中:P0:最大输出功率,F0:最小振荡频率,η:电源效率≈0.75—0.85(低输出电压)
0.85—0.9(高输出电压),D:最小VIN时的占空比,Vin:Vin最小值时的滤波电容C1上的电压。
图5的 IRIS4015应用电路的主要元件选择:
(2)
(3)
(4)
其中:
IS:准谐振信号电流
VF:D3和D4的前馈电流(0.7V)
VD:激磁绕组电压
ID:最大漏电流
Vocp:MOSFET关断时OCP/FB端电压
谐振频率fR
(5)
导通延迟时间
(6)
参考文献:IR AN1018a