0 引言
铅酸蓄电池是使用最为广泛的储能元件之一,如在邮电、通信、电力部门等。蓄电池作为备用的应急能源,是保证系统正常工作的必不可少的部件之一。
作为备用电源应用时,正常情况下,蓄电池工作于浮充状态,随着浮充时间的积累,蓄电池极板会产生钝化现象,严重时会损坏蓄电池,因此,对蓄电池工作状态进行监控并定期进行均衡充放电维护,是延长蓄电池使用寿命及保证蓄电池正常工作的必不可少的手段之一。
对于蓄电池生产厂商来说,每个蓄电池在生产过程中都需要进行三充两放的老化和性能测试工作,因此,蓄电池的充放电设备必不可少。
目前,大容量蓄电池的放电维护通常采用两种方法进行:一是串接负载电阻放电,把蓄电池存储的电能耗散在大功率电阻的发热中,因此,每进行一次维护工作须消耗大量的电能,并且要及时监视蓄电池电压的变化,以防过放的发生,其放电电流控制也不方便;另一种是采用晶闸管有源逆变方式进行放电维护,该方式将电能馈送电网,以达节能降耗目的,该方式虽然可将能量返回给电网起到节能作用,但由于其反馈给电网的电流波形为方波,含有大量的高次谐波成分,对电网造成谐波污染,且运行时电磁噪声较大,并网功率因数也较低,会损失大量的无功电能。
随着电力电子技术与计算机技术的发展,采用先进的SPWM双向整流逆变技术可以实现蓄电池组的充放电控制,采用该技术的装置在充放电时不会对电网产生任何谐波污染,并网电流波形是完美的正弦波,且功率因数可控制为1,不仅如此,其运行时噪声低,且体积小、效率高。由于其采用先进的计算机控制和管理,可以方便各类用户需求,并具有蓄电池充放电曲线的优化设定控制,有助于延长蓄电池使用寿命,也方便蓄电池的生产和管理。在节能降耗方面可以得到大大提高。
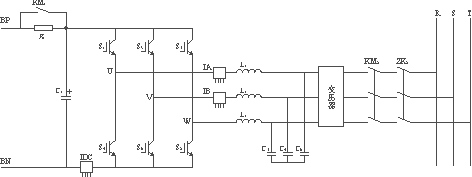
1 系统的主电路结构
双向SPWM逆变整流装置一般采用电压型逆变主电路,其功率开关器件为绝缘栅型双极晶体管(IGBT),采用电流控制方式,该逆变主电路如图1所示。
图1 系统主电路
该主电路适用于三相电网,而对于单相电网其主电路结构类似,但充放电电流脉动较大。其BP端与BN端分别接蓄电池的正极和负极,电阻Rs为软启动电阻,以防止在合闸瞬间由于滤波电容的初始零电压,产生大的短路冲击电流,在软启动完毕后,接触器KM1闭合,短路Rs。其电容的选择与逆变器输出额定功率、母线电压有关,若电容量选择过小,逆变器直流母线电压的波动幅度将较大,同时也会引起大的蓄电池直流充放电电流脉动。
系统中的主变压器一方面起安全隔离作用,保证蓄电池的正负极与电网隔离,另一方面,也是为了充放电蓄电池的电压匹配。若无隔离变压器,直流母线的电压幅值应大于交流电网电压,否则,难以实现双向电流充放电,但如果蓄电池的直流母线电压匹配过高则会影响系统的效率。
系统中滤波电抗的设计选择是至关重要的,它涉及到并网电流波形的脉动幅度和跟踪正弦电流幅值的范围,若电抗器L值选择过大,则在同样开关频率下,输出电流纹波会较小,但蓄电池放电并网功率会受到限制;L值选择过小,输出电流纹波会较大,产生较大的电磁噪声和干扰。所以,电感值的设计选择应以满足并网功率为前提条件,以电流脉动纹波幅度为设计条件,以得到满足设计指标的低失真、低谐波、高品质的正弦输出电流波形。滤波电抗器的设计和加工要保证在额定电流范围内稳定不变,即工作在线性区域内,同时还要防止在运行过程由于气隙松动产生的电磁力噪声。
虽然电流波形被控制为良好的正弦波形,但高频开关的影响,使电流波形中含有开关频率的高次谐波,将会产生传导干扰和空间电磁辐射。为了使系统满足电磁兼容及电磁干扰国家标准,系统必须配置专用的高频滤波器,并在主电路的工艺结构和机箱设计上采取预防措施。
2 系统的控制结构
蓄电池的充放电系统需要控制直流电流和直流电压,而交流并网电流也是需要控制的,因此,该系统的控制结构应包含有三闭环控制,其结构如图2所示。

图2 系统控制结构
VB*为蓄电池充放电电压指令值,VB为蓄电池实际反馈电压,VT为电压调节器,其输出为充放电电流指令值IB*,IB为实际充放电直流电流,LT1为直流电流调节器,LT1的输出IM*作为并网电流的幅值给定,其正负就决定了是放电还是充电,即其逆变器并网电流与电网电压是同相还是反相。TB为同步电压变换器,IM*与同步变换器输出UAK*的乘积为Ia*,Ia*再作为并网交流电流的给定,经LT2电流调节器实现并网电流Ia的跟踪控制,也即指令电流Ia*与电网的对应相位是相同还是相反。做为另外两相电流给定值Ib*及Ic*的控制与Ia*的控制方式相同,直流电压调节器VT和直流电流调节器LT1不变。
由于系统存在三闭环控制,各调节器的控制参数设定对系统稳定性和快速性有较大影响,各调节器参数应合理优化设计,以保证系统的充放电电压和电流的稳定。
为了实现蓄电池充放电曲线的控制,在充放电过程中,可以设定VB*和VT调节器的输出限幅IBmax*,在不同的充放电电压区域,由于VT调节器开始时一般是处于饱和状态,其输出处于限幅值,所以充放电电流跟踪IBmax*,当蓄电池电压达到某点设定电压值时,再次修改VT调节器输出限幅即可。在充放电的最后阶段,VT调节器会自动进入退饱和调节,并控制蓄电池充放电电压满足设定要求。
3 交流电流的内环跟踪控制
双向SPWM整流逆变控制技术的关键在于交流电流内环的电流跟踪控制,电流跟踪控制的方式有多种,如电流滞环比较控制、SPWM异步闭环电流控制、电流数字预估控制、电压矢量运算控制等。
3.1 电流滞环比较控制
滞环PWM电流控制是一种较为传统的控制方法,其结构如图3所示,DP为上下桥臂驱动电路,KH为滞环比较器。滞环比较方式的特点是采用硬件电路比较,电路结构简单,稳定性好,电流控制的响应很快,误差可控,但输出电流的谐波较多,电磁噪声较大。

图3 滞环PWM电流控制
3.2 SPWM异步闭环电流控制
SPWM异步电流闭环跟踪控制是一种控制简单且稳定性能较好的方式,由于它具有固定的开关频率,因此有利于滤波电路的设计,也有利于限制电路的开关损耗,同时有利于降低噪声。该种电流控制方式具有稳定性好、响应速度快、噪声小、谐波低等特点。本文采用的方式如图4所示,电流偏差通过PI比例积分调节后与三角载波比较,由于电流给定Ia*为正弦波,当控制内环稳定时,其PI调节器输出也会为正弦波,其比较输出为等效的SPWM脉冲序列,该脉冲序列经DP驱动电路分别驱动上下桥臂IGBT模块,使电流形成负反馈控制。图5为采用该电流控制方式的并网电流跟踪实验波形,由图5中电网同步电压与电流波形可知,实际电流跟踪效果良好,由于正弦电流控制采用的是PI调节,因此,实际并网正弦电流的跟踪与指令电流存在相位和幅值的误差,为此在软件上须进行误差补偿,以消除实际电流与电网电压的相位误差,提高并网功率因数。

图4 SPWM异步闭环电流控制
图5 放电时电网同步电压与并网电流波形
4 系统的控制功能设计
蓄电池充放电维护装置的控制功能设计要考虑用户的使用场合和操作灵活性,本系统控制器的核心芯片采用TI公司的DSP(TMS320LF2407A),由于其专有的SPWM控制功能和高速数据处理能力,使系统能以全数字软件方式实现正弦波并网电流的双向控制,并在实现并网正弦电流波形及减小噪声等方面效果良好。在此基础上,针对蓄电池的充放电控制要求及特点,设计了较为全面的充放电控制和管理模式。其主要功能设计如下。
1)充放电曲线设定可以由用户在本机液晶显示操作面板上设定合适的电压电流充放电数值,以有限数组实现曲线的拟合,控制充放电电流跟踪设定曲线,并最终稳定在蓄电池充放电的上下限电压值上。
2)充放电模式设定设置了放电模式、充电模式和循环自动充放电模式。在充放电模式下,如果系统完成了充放电过程,则自动停机等待并声音提示。在循环自动充放电模式,会根据用户设定的循环充放电次数,自动完成充放电控制,并停机声音提示。
3)上位机的通信控制及管理本机系统设有RS485通信接口,可以实现多机联网通信。本机可以通过现场总线将运行状态及数据传送至上位机,如蓄电池电压、蓄电池电流等;上位机也可以发送控制指令给下位机,如充电电压电流指令、放电电压电流指令等,并可以同时监控和管理多台蓄电池充放电设备,图形显示当前运行参数和历史运行曲线等。
5 系统的故障保护
对于该型的蓄电池充放电维护装置,除了要具备一般的逆变电源保护功能,如交流过流、直流过流、短路、蓄电池过充过放、散热器超温等,特别还应有孤岛效应的防止与保护功能。孤岛效应是指并网型逆变电源在电网断电时,逆变器仍然保持对失压电网中的某一部分线路继续供电的状态,这样电力孤岛效应区域会发生电压和频率不稳定现象,有可能对外部设备造成损坏或发生触电安全事故。图7为孤岛效应的发生机理,正常供电时,开关A闭合,蓄电池逆变电源和电网同时给负载供电。当电网突然停电,即从A处断开,若这时负载阻抗正好与输出电流相匹配,则在电网断开时,负载电压不会有任何变化,采用常规检测电压方法,系统无法判断电网停电,仍然继续向负载供电,即产生了孤岛效应。
图6 充电时电网同步电压与并网电流波形

图7 孤岛效应发生机理
对孤岛效应的识别有多种方式,可以分为主动式和被动式两类。一般规定并网逆变电源本机应同时具有主动和被动识别能力,以提高孤岛效应识别的可靠性,并且要求识别响应时间应小于1s。主动式孤岛效应的识别方式有主动频率偏移、有功功率变动、无功功率变动等。被动式方式有电压相位跳动、三次电压谐波变动、频率变化等。
6 结语
采用双向SPWM逆变整流技术的蓄电池充放电维护装置,由于其可以方便地实现并网充放电电流的正弦波形和高功率因数控制,对电网无污染,因此是高效节能的绿色电源。系统功率开关器件选用IGBT,其开关工作频率可以达到20kHz以上,采用专用的DSP数据处理器控制,正弦波形的畸变率很小、噪音很低,系统设计的具有蓄电池联网群控智能化充放电的管理功能,可以适应不同电压等级和类型的蓄电池生产和维护。由于该装置具有良好的控制性能和经济指标,其推广应用前景良好。