一种适用于宽范围输入的Boost Buck-Boost Flyback变换器的改进型限流保护电路
陈世杰,吕征宇
(浙江大学电气工程学院,浙江 杭州310027)
摘要:分析了一种限流保护电路应用于Boost,BuckBoost,Flyback等输出电流断续型拓扑时限流保护电流随输入电压变化而波动的原理。之后对该限流保护电路加以改进,使限流保护电流的波动范围限制在一个较小的范围之内。最后的实验结果验证了该改进方案的有效性。
关键词:限流保护;宽范围;输出电流断续
1 概述
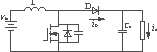
DC/DC变换器限流保护电路取样电流主要有两种方法:一是霍尔元件取样,但是成本较高;二是小电阻取样,但是当取样电流较大时会遇到很大的困难。图1所示的限流保护电路可以解决小电阻取样大电流的困难,同时成本也不高。此电路适用于变换器工作在CCM模式。图2给出了该限流保护电路的主要工作波形。图中VD1为二极管D1的导通压降,va及vb分别为A及B点电压。vb在实际电路中波动很小,相当于一个直流电压,它的值近似为Vamax-VD1。vb随着iin的增大而增大,当vb达到Vref时,限流保护电路开始工作,电路处于限流保护状态。

图1 带限流保护电路的PWM控制电路
图2 限流保护电路主要工作波形
2 应用于Boost Buck-Boost Flyback拓扑时限流保护电路分析
限流保护电路取样流过二极管电流iD,如图3(a)、(b)、(c)所示。之前在概述中已经提到:vb=vamax-VD1,这样有:
vb=Vamax-VD1=iDmaxnR-VD1(1)
式中:n为电流互感器原副边匝数比。
对于Boost,Buck-Boost,Flyback变换器有:
iDmax=
(1-D)T(2)
将式(2)代入式(1)有:
vb=
(1-D)T-VD1(3)
vb随着io的增大而增大,当vb增大到等于Vref时,io被限定在最大值Iomax即为限流值。
Iomax=
(4)
在实际电路中,变换器工作在CCM模式,电感L设计得较大,而且二极管压降VD1很小(流过电流很小),这样,为方便分析,式(4)可以近似为
Iomax=
(5)
式(5)中,n,R为定值。若取定一个Vref值,由于占空比D随着输入电压的增大而减小,因此,根据式(5)限流值将随着输入电压的增大而增大。比较图3(d)及图3(e)也可以清楚地看到限流值随输入电压的变化。
(a) Boost变换器
(b) Buck-Boost变换器

(c) Flyback变换器
(d)最小输入电压时限流保护电路工作波形(e)最大输入电压时限流保护电路工作波形
图3 各变换器及其宽范围输入时限流保护电路工作波形
3 改进方案及参数设计
在具体实验中发现,限流保护值随着输入电压变化的幅度较大(这个从图4中就可以看到),给限流保护的精度带来了一定的影响,因此,需要采取一定的措施来减小它的变化范围。
改进方案主要有两种:一是让参考电压Vref跟随输入电压的变化而反向变化;二是给比较器负端一个补偿电压,补偿电压应随输入电压同向变化。
本文采用了输入电压作为补偿信号的方法。输入电压通过一个电阻R4接到比较器负端(图1中的C点),此时限流保护电路工作并达到稳定状态时有:
Vref=vb+
(6)
式(6)中的vb即为式(5)中的Vref,将式(5)代入式(6)有:
Iomax=
(VrefR2+VrefR4-VinR2)(7)
参考电压Vref可以根据未加补偿时的限流值先确定一个数值,使未加补偿时的最小限流值比需要的限流值略大,因为加补偿以后,补偿值会抵消一部分的限流值,见图4。
R4的取值理论上可以根据最大输入电压和最小输入电压时限流值相等来求得,各种拓扑取值不同。以Boost为例,假定最大输入电压Vin2,最小输入电压Vin1,相对应的限流值分别为iomax2和iomax1。令iomax2=iomax1,另外有:
D=1-(Vin/Vo)(8)
代入式(7)得
-1(9)
R2的取值由PI环节的要求设定,则R4可由式(9)得到,再在具体实验中进行微调,以求得到最小的限流值变化范围。
限流值整体的大小变化可以通过调节Vref实现。Vref调整以后,R4也要做相应的调整。
4 实验结果
一个带有限流保护电路和补偿电路的Flyback变换器验证了上述的理论结果,其电路规格和主要参数如下:
输入电压Vin 9~15V;
输出电压Vo 5V;
输出功率Po 35W;
工作频率f 100kHz。
图4给出了反激变换器限流保护电路补偿前和补偿后实测限流值随输入电压变化的曲线。限流值在补偿前随输入电压的变化有较大的波动,而加了补偿电路之后限流值的稳定性有了明显的改善,证明了该补偿电路的有效性。
5 结语
本文分析了一种限流保护电路应用于宽范围输入的Boost,Buck-Boost,Flyback拓扑时的工作状况,并提出了一种改进方案用于克服限流保护点随输入电压变化而波动过大的缺点。该方案简单有效,大大提高了宽范围输入的Boost,Buck-Boost,Flyback变换器限流保护点的精确度和稳定度。
作者简介
陈世杰(1979-),男,硕士研究生,现从事电力电子电路拓扑的研究。
吕征宇,男,博士,教授,博士生导师,现从事电力电子中的电磁兼容,智能控制,功率变换器和电力电子器件等方面研究。