0 引言
由于电力变换装置均工作在大功率环境中,过流和短路是不可避免的。为了确保电力变换装置安全可靠地工作,有效的电流保护设计是必须的。而过流相对于短路对变换装置的危害要小,再加上各种资料对过流保护介绍得比较多,故在此主要讨论电力变换装置中的短路保护的设计。
现代电力变换装置均采用大功率半导体开关器件,其所能承受的电流过载能力相对于旋转变流装置要低得多,如IGBT一般只能承受几十个μs甚至几个μs的过载电流,一旦短路发生就要求保护电路能在尽可能短的时间内关断开关器件,切断短路电流,使开关器件不致于因过流而损坏。但是,在短路情况下迅速关断开关器件,将导致负载电流下降过快而产生过大的di/dt,由于引线电感和漏感的存在,过大的di/dt将产生很高的过电压,而使开关器件面临过压击穿的危险。对于IGBT,过高的电压又可能导致器件内部产生擎住效应失控而损坏器件。因此,必须综合考虑和设计电力变换装置短路保护,以确保电流保护的有效性。
1 短路保护电路的设计
由于IGBT综合了场效应管输入阻抗高,驱动功率小和双极晶体管电压容量大,电流密度高的优点,而成为了现代电力变换装置中使用最广泛的一种开关器件,下面以其为保护对象进行讨论。
1.1 过流信息检测
为了实现IGBT的短路保护,必须进行过流检测。适用于过流检测方法,通常是采用霍尔电流传感器直接检测IGBT的电流Ic,然后与设定的阈值进行比较,用比较器的输出去控制驱动信号的关断;也可以检测过流时IGBT的集射极电压Vce,因为管压降含有短路电流的信息,过流时Vce将增大,且基本上与Ic呈线性关系,故检测过流时的Vce并与设定的阈值进行比较,用比较器的输出控制驱动电路的关断,也可完成过流保护。
1.2 降栅压软关断半导体开关器件
在短路电流出现时,为了避免关断IGBT时di/dt过大形成过电压,导致IGBT失控或过压损坏,通常采用降栅压的软关断综合保护技术。即在检测到过流信号后首先是进入降栅压保护,以降低故障电流的幅值,延长IGBT承受过载电流的时间。在降栅压动作后,设定一个固定延迟时间以判断故障电流的真实性,如在延迟时间内故障消失则栅压自动恢复;如故障仍然存在则执行软关断,使栅压降至0V以下,最终关断IGBT。采用降栅压软关断综合保护技术可使故障电流的幅值和下降率以及过电压都受到限制,使IGBT的运行轨迹处于安全区内。
在设计降栅压软关断保护电路时,要正确选择降栅压的幅度和速度。如果降栅压幅度较大(如7.5V以上),则降栅压的速度就不要太快,一般采用2μs左右的下降时间。由于降栅压幅度大,集电极电流已经较小,则封锁栅极可快些,不必采用软关断。如果降栅压幅度较小(比如5V以下),则降栅速度可快些,而封锁栅压的速度必须慢,即采用软关断,以避免产生过高的过电压。
1.3 降频“打嗝”的保护
在大功率负载中为了使电源在短时间的短路故障状态下不中断工作,又能避免连续进行短路保护产生热积累而损坏IGBT,可采用使工作频率降低的方法形成间歇“打嗝”的保护,待故障消除后又恢复正常工作。降频“打嗝”的保护并非每个保护电路都必需。
2 几种实用的IGBT短路保护电路及工作原理
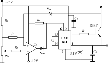
2.1 利用短路时Vce增大实现的短路保护电路
图1是利用IGBT短路时Vce增大的原理实现保护的电路,专用于EXB841驱动电路。如果发生短路,含有IGBT过流信息的Vce不直接送至EXB841的IGBT集电极电压监视脚6上,而是快速关断快速恢复二极管VD1,使比较器IC1(LM339)的V+电压大于V-电压,比较器输出高电平,由VD2送至EXB841的脚6,启动EXB841内部电路中的降栅压及软关断电路,低速切断电路慢速关断IGBT,既避免了集电极电流尖峰损坏IGBT,又完成了IGBT短路保护。该电路的特点是,消除了由VD1正向压降随电流不同而引起关断速度不同的差异,提高了电流检测的准确性,同时,由于直接利用EXB841内部电路中的降栅压及软关断功能,整体电路简单可靠。
图1 利用过流时IGBT的Vce增大实现的短路保护电路
2.2 利用电流互感器实现的短路保护电路
图2是利用电流互感器实现过流检测的IGBT短路保护电路。其中电流互感器TA的初级串接在IGBT的集电极电路中,次级感应的过流信号经整流后送至比较器IC1的同相输入端,与反相端的基准电压Vref进行比较,IC1输出VB至具有正反馈的比较器IC2的同相输入端C点,由IC2的输出经R8接至EXB841的脚6上。不过流时,IC1的VA小于Vref,输出VB为低电平约0.2V,经R1送到IC2比较器的同相端C形成VC,因此时VC小于Vref,IC2输出为低电平,EXB841正常工作。当出现过流时,电流互感器检测到的整流电压将升高,VA大于Vref,VB为高电平,由R1给C3充电,经一定的延时后,VrC将大于Vref,IC2输出高电平,EXB841保护电路工作,使IGBT降栅压软关断。IGBT关闭后,电流互感器初级无电流流过,使VA又小于Vref,VrB又回到0.2V左右,C3经R1放电,当VC小于Vref时,IC2输出低电平,电路重新进入工作状态。如果过流继续存在,保护电路又恢复到原来的限流保护工作状态,反复循环使EXB841的输出驱动波形处于间隔输出状态,使IGBT输出电流有效值减小,达到保护IGBT的目的。电位器W1用于
图2 利用电流互感器实现的短路保护电路
调整IC1比较器过流动作阈值。电容器C3可经D5和R5快速充电,经R1慢速放电,只要合理地选择R1,R5和C3的参数,可实现EXB841比较快关闭IGBT而较慢恢复IGBT。正反馈电阻R7保证IC2比较器具有迟滞特性,和R1和C3充放电电路一起,保证IC2输出不致于在高、低电平之间频繁变化,使IGBT频繁开通、关断而损坏,提高了电路的可靠性。
2.3 利用短路Vce和电流互感器过流检测同时实现的短路保护电路
图3是利用IGBT过流集电极电压检测和电流互感器过流检测同时实现的短路保护电路。当负载短路(或IGBT因其它故障过流)时,IGBT的Vce将增大,VD1关断,导致由R1提供的电流经R2和R3分压器提供的电压,使V3导通,从而使IGBT栅极电压由VD3所限制而降压,限制了IGBT峰值电流的幅度,该电压同时经R5及C3延迟使V2导通,送去软关断信号。为了提高短路保护电路的可靠性,图3电路还增加了短路电路检测保护,它是由电流互感器TA,整流桥U和IC1等组成,短路发生时经电流传感器TA检测出短路电流信号,使比较器IC1输出高电平,该高电平一方面使V3管导通,完成IGBT的降栅压保护,另一方面由V2导通进行IGBT软关断保护。

图3 利用短路Vce和过电流检测同时实现的短路保护电路
2.4 具有降栅压软关断及降低工作频率的综合短路保护电路
图4是一具有降栅压软关断及降低工作频率的综合短路保护电路。
图4 具有降栅压软关断及降低工作频率的综合短路保护电路
正常工作时,驱动输入信号Vi为低电平,光耦IC4不导通,V1及V3导通,输出负驱动电压VE,IGBT(V4)关断;当驱动输入信号Vi为高电平时,光耦IC4导通,V1截止而V2导通,输出正驱动电压VC1,功率开关管IGBT导通。发生短路故障时,IGBT集电极电压Vce增大,由于VD5截止导致比较器IC1输出高电平,V5导通,由VD2限压实现对V2降栅压,从而实现了IGBT软降栅压保护,V2降栅压幅度由稳压管VD2决定,软降栅压时间由R6和C1决定约为2μs。IC1输出的高电平同时经R7对C2进行充电延时约5~15μs后,C2上电压达到稳压管VD4的击穿电压,V6导通。V6导通后,一方面使光耦IC5导通启动降频过流保护电路工作,另一方面由R9和C3形成约3μs的软关断栅压,完成对IGBT软关断栅压保护。
V5导通时,V7经C4和R10电路形成的基极电流导通约20μs,在降栅压保护后将输入驱动信号闭锁一段时间,不再响应输入端的关断信号,以避免在故障状态下形成硬关断过电压,使驱动电路在故障存在的情况下能执行一个完整的降栅压和软关断保护过程。
降频过流保护电路主要由时基555电路(IC2),光耦IC5,V8和V9三极管等组成。V6导通时,光耦IC5导通,时基电路IC2的触发脚2获得负触发信号,555脚3输出高电平,V9导通,IC3与门被封锁,封锁时间由定时元件R15和C5决定(约1.2s),使工作频率降至1Hz以下,驱动器的输出信号将工作在所谓的“打嗝”状态,避免了发生短路故障后仍工作在原来的频率下,而频繁进行短路保护导致热积累而损坏IGBT。只要故障消失,电路又能恢复到正常工作状态。
2.5 具有检测高频交流电流短路的保护电路
该电路如图5所示。R4为输出电流取样电阻,电路正常工作时,IC1的输出电压UA不足以使D3(9.1V)或D4(9.1V)击穿导通,V1和V2均不导通,IC2不工作,V3导通输出低电平,EXB841驱动电路正常工作。如果电路有过流现象出现时,假定发生在正半周,IC1输出的UA为负电压,使得D3击穿,D4导通,V2导通,电流经D2,R8,V2,R1,使光耦IC2导通,输出过流信号,V3截止输出高电平。若负半周过流发生,IC1输出UA为正电压,使D4击穿,D3导通,V1导通,电流经R7,V1,R8和D1,使IC2通电工作,V3截止输出高电平。当V3截止输出高电平时,启动EXB841内部短路降栅压软关断电路工作,完成对IGBT的保护。这样,只要电路有过流现象发生,保护电路就会立即动作,对电路进行有效地保护,防止损坏IGBT。该电路对低频交流电路和直流电路短路电流保护同样有效。由于PN结稳压值随温度升高而升高,而PN结正向导通值随温度升高而降低,故D3及D4反向串联具有良好温度补偿作用,使电路热稳定性相当好。

图5 具有检测高频交流电流短路的保护电路
3 结语
对电力变换装置的短路保护至关重要,应针对不同的变换模式和变换拓扑,进行短路保护的设计,以确保短路发生时保护电路能有效地达到保护的目的。还须指出的是,由于电力变换装置工作在大功率下的恶劣环境中,各种突发故障随时都有可能发生,只有电流保护是远远不够的,还需要有防浪涌的软启动、过欠压、过热、缺相等保护,以组成完善的保护系统,只有这样才能确保其安全运行。