1 概述
为了减小对交流电网的谐波污染,国内外都制订了限制电流谐波的有关标准(如IEC1000-3-2)。因此,要求交流输入电源必须采取措施降低电流谐波含量,提高功率因数。目前广泛采用的有源功率因数校正方法有两种,即两级PFC和单级PFC。两级PFC方案[1]如图1所示,将PFC级输出端与DC/DC变换器相串联,两级控制电路相互独立。
图1 两级PFC方案图
PFC级使输入电流跟随输入电压,使输入电流正弦化,提高功率因数,减少谐波含量。后接的DC/DC级实现输出电压的快速调节。由于采用两级结构,电路复杂,装置费用高,效率低。在小功率应用场合,两级PFC很不适用。因此,研究单级PFC及变换技术成为电力电子领域中的一项重要课题。
单级PFC[2][3]将PFC级和DC/DC级组合在一起共用一个开关管和一套控制电路,同时实现对输入电流的整形和对输出电压的调节。它与两级方案不同的是,控制电路只调节输出电压,保证输出电压的稳定,在稳态时,占空比恒定,因此,要求PFC级的电流能自动跟随输入电压,虽然,单级PFC变换器的输入电流不是正弦波,PF值不如两级方案高,但由于IEC100032只对电流谐波含量有要求,对PF值没有严格的要求,单级PFC变换器的输入电流谐波足以满足IEC100032。而且由于采用单级结构,电路简单,成本低,功率密度高。
因此,单级PFC变换器在小功率场合得到了广泛的应用。本文主要对单级PFC的拓扑进行了分析,指出了存在的问题,介绍了几种改进的拓扑结构以解决这些问题。
2 单级隔离式Boost PFC电路的分析及存在的问题
典型的单级隔离式Boost PFC电路如图2所示,该拓扑是由升压型PFC级和正激式DC/DC变换器组合而成。有源开关S为共享开关,CB为缓冲电容。通过控制S的通断,电路同时实现对输入电流的整形和对输出电压的调节。

图2 典型的单级隔离式boost PFC电路
众所周知,电流断续模式(DCM)的Boost变换器,在固定占空比下电流自动跟随输入电压,因此,PFC级工作在DCM下可以得到较高的功率因数。但是,输入和输出电感电流的峰值较高,增加了有源开关的电流应力和开关损耗;变换器的效率低;另外电路需要一个更大的EMI滤波器。如果要求减小开关器件的电压、电流应力,那就需要PFC级工作在电流连续模式(CCM)下,同时可以提高整个变换器的效率并减小EMI。如在图2的a和b之间加一电感L1,可以使PFC级工作在CCM下。对于DC/DC变换器而言,为了提高变换器的效率,一般工作在CCM下,因此,占空比不随负载变化。当负载变轻时,输出功率减小,而PFC级输入功率同重载时一样,则充入储能电容的容量大于从储能电容抽走的能量,导致储能电容电压上升。为了保持输出电压一致,电压反馈环调节输出电压,使占空比减小,输入能量也相应减小,这个动态过程要到输入和输出功率平衡后才停止。负载减小带来的后果是直流总线电压明显上升,也就是电容电压明显上升,甚至达到上千伏。
降低电容电压通常有两种方法:一种方法就是采用变频控制[4],可以使电容电压低于450V,但是频率变化范围可能高达十倍,不利于磁性元件的优化设计;另一种就是采用变压器绕组实现负反馈。如果PFC级和DC/DC变换器都工作在CCM下,输出功率减小时,虽然占空比不变,但输入功率也会相应减小,抑制了储能电容电压的增加,它的效率是最高的,PF值有所降低,但是,很难找到一种拓扑完全工作在CCM下,设计上也相对复杂。串联单级PFC变换器的功率流图如图3所示,从图中可以看出,功率由输入传送到输出,经过了两次变换,效率低。
图3 串联单级PFC变换器的功率流图
因此,单级PFC变换器的主要问题是,在使输入电流谐波满足IEC1000-3-2和快速调节输出电压的同时,降低电容电压和提高效率;另外单级PFC变换器工作在硬开关状态时,开关器件承受的电压、电流应力高,因此,开关损耗很大。所以,人们提出了用变压器绕组实现负反馈,用软开关技术以及并联PFC等方法来降低电容电压,开关损耗和提高效率。下面介绍几种改进的拓扑以解决这些问题。
3 几种改进的拓扑介绍
3.1 单级并联PFC变换器[1][6][7]
如前所述,无论是单级还是两级结构,串联式拓扑结构的效率都较低。为了提高变换器的效率,人们提出了并联PFC方法。其基本思路如下:假设PF=1,PFC输入功率与输出功率关系如图4所示,平均输入功率Pin的68%(P1)经过一次功率变换到达负载,32%的剩余功率(P2)为输入与输出功率在半个电网周期内的差,经过两次功率变换到达负载[1]。图5为该方法的功率流图,P2经过两次功率变换到达输出,其余部分P1经过一次功率变换达到输出,从而提高了电路效率,并且高于两级和串联单级变换器。
图4 PFC输入功率与输出功率关系图
图5 单级并联PFC方法的功率流图
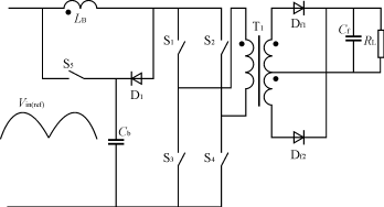
典型的单级Boost PPFC变换器[1]如图6所示,电路在原带隔离变压器Boost拓扑结构中加入了D1,S5及Cb。电路工作时,当检测到输入功率(Pin)小于输出功率(P0)时,S5开通,Cb中的能量释放到输出,这部分能量为P2。当输入功率(Pin)大于输出功率(P0)时,S5关断,通过控制S1~S4使多出的能量存入Cb。因此,电路的控制要实现三个功能,即输入电流控制,输出电压控制和电容电压控制。这种PPFC变换器的主要优点是效率高。由于这三个被控量之间存在耦合关系,所以,控制电路复杂,控制器设计困难;另外,开关管数目多,成本较高,这些都是该变换器的主要缺点。因此,它适用于较大功率场合而不适用于小功率场合。于是文献[6]提出了一种单级反激PPFC变换器,如图7所示。
图6 单级Boost PPFC变换器
图7 单级反激PPFC变换器
T1,S,D3,Cf,RL构成电路的主支路,T2及D2组成电路的辅助支路。储能电容CB通过D1充电到输入电压的峰值电压作为辅助支路的输入电压。由于两个并联反激支路同时工作,使用二极管D2和D3来防止这两个支路之间产生循环电流。该变换器由输入电压Vin和储能电容CB同时给负载提供能量。尽管输入电压Vin给负载提供大部分能量。但是,当输入电压很小时,负载的能量主要由储能电容CB提供。两个变压器可以在DCM或CCM下工作。对于小功率应用,为了提高效率,两个变压器都工作在DCM下。主支路与辅助支路之间的功率分配决定输入电流的谐波含量,而变压器T1及T2的电感值决定功率分配。所以,通过正确的设计变压器T1及T2的电感值可以使输入电流的谐波含量满足IEC1000-3-2的要求。该变换器仅用一个有源开关和一个控制环就可快速地调节输出电压。
它的主要优点是结构简单、效率高、储能电容电压被箝位,电压值的大小等于输入电压的峰值,对功率开关管没有产生附加的电压应力。另外,在S开通时,由T1直接传递大部分能量到负载,降低了开关管的电流应力,提高了变换器的效率。它的主要缺点是元件数目多,成本较高。
3.2 用变压器绕组实现负反馈的单级PFC变换器
用变压器绕组实现负反馈的单级PFC变换器[8]如图8所示。N1为变压器耦合的绕组。
用变压器绕组N1实现负反馈来抑制电容电压Vc。当S开通时,Vc加在变压器的初级绕组Np,因此,绕组N1上的电压同Vc成正比。只有当输入整流后的电压大于N1上的电压时,电感LB上才有电流;S关断时,LB上的能量经过D1释放到CB。负载变化引起Vc变化,加在LB上的电压立刻变化,从而改变了输入电流和输入功率,有效地抑制了Vc的增长。但N1的加入降低了功率因数,增加了电流谐波含量。
在图8的A和B之间再增加一个绕组N2[3][7],如图9所示。加绕组N2之后,在S关断时,加在电感LB上的反向电压为Vc和N2上的电压之和减去输入电压,减小了输入功率,从而进一步降低了Vc,同时,也提高了功率因数。N2的选取应该满足N1+N2<Np。可见,增大N1可以降低电容电压,提高效率,但同时降低了功率因数,增加了电流谐波含量。

图8 用变压器绕组实现负反馈的单级PFC变换器
如果要求更低限度地减小开关器件的电压、电流应力,那么在图8和图9中的二极管D2和绕组N1之间加入电感Lr,使输入电流工作在CCM下。Lr可以利用变压器漏感,也可以另外加一个电感[3]。
图9 用双绕组实现负反馈的单级PFC变换器
3.3 带低频辅助开关的单级PFC变换器[9]
用变压器附加绕组实现负反馈降低了电容电压,提高了效率。但同时降低了功率因数,增加了电流谐波含量。文献[9]针对这一不足提出了一种带低频辅助开关的单级PFC变换器,不仅有效地抑制了电容电压,提高了效率,同时还提高了功率因数,减少了电流谐波含量。
带低频辅助开关的CCM单级PFC变换器如图10所示,S为主开关,Sr为辅助开关。

图10 带低频辅助开关的CCM单级PFC变换器
辅助开关Sr的驱动波形如图11所示,当输入电压在零附近时,辅助开关Sr导通,使附加绕组N1短路,从而改善了输入电流的波形,减少了输入电流的谐波含量,提高了功率因数。
当输入电压大于某一值时,辅助开关管Sr关断;其余的工作情况与图8和图9相似。辅助开关Sr在输入电压很小时才导通工作,其余时间不工作。因此,流过Sr的电流很小,Sr的功率损耗很小。由图11知,辅助开关的工作频率为交流电源频率的两倍。故在整个工作期间,Sr的开关损耗很小。另外,辅助开关Sr的控制电路也很简单。由上述分析知,带低频辅助开关的单级PFC变换器减小了输入电流的谐波含量;提高了功率因数和效率;降低了电容电压。
图11 辅助开关Sr的驱动波形
辅助开关Sr也可以放在其他位置,得到不同的拓扑结构,如图12所示。图12(a)所示的电路使L1旁路,也就是说,输入电压在零附近时,导通开关Sr,使L1短路,电路工作在DCM下,从而增加了输入电流,这种方法不能消除输入电流的死角。因此,与图10的电路相比,图12(a)的电路的输入电流的畸变更大。Sr另外一种实现方式如图12(b)所示,使L1和N1都旁路,也就是说,输入电压在零附近时,导通开关Sr,使L1和N1都短路。这种方法可以完全消除输入电流的死角,提高功率因数。但是,与图10的电路相比,图12(b)电路中的储能电容电压更高。因为,图12(b)电路有一小部分时间工作在DCM下。另外,该方法也可以应用在其他的DCM/CCM单级PFC变换器中,如图13所示的带低频辅助开关的DCM单级PFC变换器。
(a) 使L1旁路
(b) 使L1和N1都旁路
图12 Sr不同位置的实现方式
图13 带低频辅助开关的DCM单级PFC变换器
3.4 带有源箝位和软开关的单级PFC变换器
单级隔离式PFC变换器与普通的DC/DC变换器相比有电压、电流应力高,损耗大的缺点。因此,采用有源箝位和软开关等先进技术来减小单级隔离式PFC变换器的开关损耗和电压应力。
带有源箝位和软开关的单级隔离式PFC变换器[10]如图14所示。S为主开关,Sa为辅助开关。Cc为箝位电容,CB为储能电容,Cr为开关S和Sa的寄生电容以及电路中其他的寄生电容之和。Boost单元工作在DCM下,保证有高的功率因数;为避免DCM有较高的电流应力,Flyback设计为CCM。采用有源箝位和软开关技术限制了开关的电压应力,再生了储存在变压器漏感中的能量,为主开关和辅助开关提供了软开关条件,减少了开关损耗,提高了变换器的效率。主开关与辅助开关用同一个控制/驱动电路,进一步提高了电路的实用性。

图14 带有源箝位和软开关的单级隔离式PFC变换器
4 结语
单级PFC变换器由于具有电路简单,成本低,功率密度高的优点,而在中小功率场合得到了广泛的应用。通过分析单级PFC的拓扑结构,指出了它存在的一些问题,如储能电容电压随输入电压和负载的变化而变化,在输入高压或轻载时,电容电压可能达到上千伏;变换器的效率低;开关损耗大;有源开关的电压、电流应力高。而对用变压器绕组实现负反馈,用软开关技术,用低频辅助开关以及并联PFC等方法来降低电容电压,开关损耗,减少电流谐波含量和提高效率等问题进行了综述,并分析了几种改进拓扑的工作原理,比较了它们的优缺点。