| 网站首页 | 电源技术 | 电源资料 | 电源论坛 | 电源电路 | 电源人才 | 电源供求 | 留言本站 | 繁體中文 | 
[ ] 文章搜索:
您现在的位置: 电源开发网 >> 电源技术 >> 新手入门 >> 设计研究 >> 正文
单级功率因数校正在AC-PDP开关电源小型化设计中的应用
http://www.dykf.com  2007-5-5  电源开发网           ★★★

 

0    引言

    随着社会信息化的不断发展以及先进制作工艺的不断提高,作为大屏幕壁挂式电视和高质量多媒体信息显示的终端——彩色交流等离子体显示器(AC-PDP),其屏幕做得越来越大,功耗越来越小,电路结构越来越简单,成本也越来越低。而电源作为AC-PDP的一个重要组成部分,也向着小型化和简单化的方向发展。

    传统的AC-PDP电源一般采用两级方案,即PFC级+DC/DC变换的电路拓扑结构。它们分别有各自的开关器件和控制电路。尽管其能够获得很好的性能,但其体积过大,成本太高,电路比较复杂。因此,对其进行小型化改造也成了AC-PDP技术研究的一个方向。

    由于AC-PDP驱动控制电路的复杂性,导致了其开关电源的复杂性。分析可知,不管从传输能量角度还是从所占体积的角度,PFC模块和扫描驱动电极DC/DC变换模块都占有相当大的比例。因此,对这两部分的改造就成为AC-PDP开关电源小型化改造的一个切入点。本文根据单级功率因数校正的工作原理,提出了一种AC-PDP电极驱动电源模块改进方案。

1    单级PFC维持电极电源模块的拓扑结构及工作原理

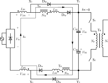
    本文采用的单级功率因数校正变换器电路拓扑结构如图1所示。单相交流电经全波整流后,通过串联两个感性ICS(Input-current shaping)接到双管反激的DC/DC变换单元。

图1    主电路拓扑结构

    图中的两个ICS单元完全相同,即LB1=LB2LD1=LD2N1p=N1n。采用这种双ICS的单元结构是为了减小储能电容器上的电压以及流过开关管的电流。

    下面通过开关管的动作过程分析整个电路的工作原理以及工作过程。

    1)S1和S2导通期间    其简化电路如图2(a)所示。开关管导通,储能电容经图2(a)中右边回路释放电能,反激变换器TR开始储能,iDC由零开始上升。线圈N1pN1n分别感应产生左负右正和左正右负的电压,D1n和D1p开始导通,D2n和D2p截止。Vin经图2(a)中左边的回路给储能电容CB1CB2充电,iin开始上升,电感LB1LB2LD1LD2充电。

(a)    开关管导通时的电路图

(b)    开关管截止时的电路图

图2    开关管通断时的简化电路

    因为VLB1=VLB2VLD1=VLD2,为了分析方便,令

    VLB=VLB1VLB2=2VLB1VLD=VLD1VLD2=2VLD1

在右边的回路中,根据基尔霍夫定律有

    VLBVLD=VinVB>0    (1)

式中:Vin为全波整流后的输出电压,即Vin=Vs|sinωt|;

      VB=VB1VB2

      N1为绕组N1nN1p的匝数;

      Np为反激变换器原边主绕组的匝数。

又因为

    VLB=VLB1VLB2=LB1LB2    (2)

    VLD=VLD1VLD2=LD1LD2(3)

将式(2)及式(3)代入式(1),可得

    (LBLD)=VinVB    (4)

所以

    =

式中:LB=LB1LB2

      LD=LD1LD2

    2)S1和S2截止期间

    简化电路图如图2(b)所示。此时iDC等于零,反激变换器给负载供电。线圈N1PN1n分别感应产生左正右负和左负右正的电压,D1n及D1p反向截止,D2n及D2p续流导通。根据基尔霍夫定律有

    VLB=LB=VinVB<0

所以    =<0

    从上面的分析可知,当Vin<VB时,D1n,D1p,D2n,D2p全部截止,电流iin为零,电感LB1LB2中没有电流流过,即回路电流iin存在一个死区θ(dead angle),是不连续的。也就是说,在半个工频周期内,只有一部分时间电感LB的电流连续工作,iLB在半个工频周期内的波形如图3所示。

    由图3可以看出,当输入电压为交流正弦波时,其输入电流为一含有高频纹波的近似正弦波。两者相位基本相同,提高了输入端的功率因数。

图3    输入电压电流波形图

2    试验结果

    根据4电极42英寸(107cm)彩色PDP驱动电路的要求,设计驱动电源模块的参数为:

    输入电压    AC170~250V;

    输出电压    DC200~240V;

    输出电流    1A。

    实验电路采用UC3845作为开关管的控制芯片,开关的工作频率为80kHz。DC/DC变换部分采用双管反激电路。

实验测得,当输入电压为AC220V,50Hz,输出功率为240W(240V/1A)时,系统的功率因数为0.786。转换效率为72.5%。此时得到输入端的电压电流波形如图4所示。

图4    输入电压及电流波形

3    结语

    通过比较可知,在输出功率相同的情况下,单级功率因数校正电路在功率因数校正能力和电源的转换效率等方面,相对于两级功率因数校正电路而言,相对要差一些。但随着研究的深入,新的单级PFC拓扑结构和控制方案将不断地被提出,单级PFC电路的性能也将逐步地得以完善。而单级功率因数校正电路体积小、电路简单的特点使其成为AC-PDP开关电源小型化改造的一个首选方案。

来源:电源技术应用0402  作者:杨文贵 神…  点击:  录入:admin
收藏此页】【字体: 】【打印此文】【关闭窗口
※相关链接※
网友评论:(只显示最新10条。评论内容只代表网友观点,与本站立场无关!) 发表评论
专 题 栏 目
推 荐 图 书
热 门 文 章
热 门 下 载
热 门 电 路
论 坛 推 荐
精 彩 广 告

关于本站 - 广告服务 - 联系我们 - 版权申明 - 网站地图 - RSS订阅 - 友情链接 - -
Copyright@2004-2014 ◆电源开发网◆ All Rights Reserved