| 网站首页 | 电源技术 | 电源资料 | 电源论坛 | 电源电路 | 电源人才 | 电源供求 | 留言本站 | 繁體中文 | 
[ ] 文章搜索:
您现在的位置: 电源开发网 >> 电源技术 >> 新手入门 >> 设计实例 >> 正文
HPWM逆变器瞬时值反馈控制技术的研究
http://www.dykf.com  2009-2-21  电源开发网           ★★★

Abstract:A instantaneous feed back control strategy is proposed for HPWM inverter. Mathematical mold of the inverter is given out. Stability and output quality of the system is analyzed. Simulation and experiment verified that this inverter has low THD and quick dynamic characteristic.

Keyword:HPWM Instantaneous feed back Inverter

1 引言

  一个优良的逆变电源不但要求THD小,还要求动态响应快、稳态精度高、稳定性好。为满足这样的要求,提出了多种控制方案,瞬时值控制是其中的一种。所谓瞬时值控制就是以逆变器输出中的某一个或几个量的瞬时值作为反馈来调节功率器件的开关状态,从而保持逆变器输出稳定的一种控制技术。由于是对系统的输出量进行瞬时值反馈控制,所以具有很快的动态响应和较好的输出精度。目前先进的瞬时值控制一般采用双环或多环反馈,典型的是输出滤波电感电流和输出电压反馈构成的电流型控制逆变器。其外环为输出电压反馈,电压调节器输出作为内环的给定;电感电流反馈构成内环,电流环设计为电流跟随器。本文提出了HPWM控制方式的瞬时值控制方案。


2 主电路拓扑及控制原理


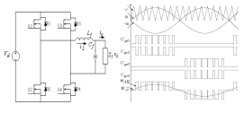
图1 主电路和控制波形


图2 电感电流变化趋势

  参考正弦波与三角波交截产生的调制信号控制S1、S2, S1和S2互补导通;反向的参考正弦波与三角波交截产生的调制信号控制S3、S4, S3和S4互补导通。在正半周S4一直导通,S3一直关断,S1,S2调制工作。负半周S2一直导通,S1一直关断,S3,S4调制工作。
  HPWM控制方式两个桥臂半周低频工作,半周开关频率工作,且两个桥臂对称工作,单极性输出。具有电压利用率高、谐波含量小、开关损耗小、两个桥臂平衡的优点。

3 系统的数学模型

  设母线电压为
,输出电压为
,功率管和电感的等效电阻之和为 ,由图2有


由于
,设开关S1的占空比


鉴于三角波的开关频率足够高,认为在一个三角波周期内调制正弦波的幅值不变,所以开关管的占空比可以表示为
,其中
为调制正弦波的幅值,
为三角载波的幅值,把电流基准与电感电流的误差信号作为调制波时有: 


由式(5)可知
时,
,电感电流增加,同理,当
时,电感电流减小。所以电流存在着一个跟踪误差
,利用这个误差信号与三角波进行交截来控制功率电路。从而构成一个固定开关频率的电流调节器,解决了电流滞环控制开关频率不固定带来的谐波分布广的缺陷。
  电流误差放大信号到功率管输出的过程实质是控制信号的采样过程,即可等效为一个延迟环节,而延迟环节通常近似为惯性环节来考虑,由于开关频率高,即采样时间很短,而惯性环节的时间常数很小,那么它对系统的低频动态性能影响很小,由此,我们将脉宽调制环节作为放大环节来处理。一个三角波周期内,桥臂输出平均电
,从而有
于是电流误差放大信号到功率管的输出可直接表示为一比例放大环节
。由此得系统的数学模型如图3所示。

图3 系统数学模型


4 系统稳定性分析

  根据系统数学模型,可以得到电流HPWM控制系统闭环函数为:

其中

式(7)是一个三阶系统,据劳斯判据,阻性负载下系统稳定,应有:

  而在容性和感性负载时系统变成四阶系统 ,此时系统稳定性的分析同阻性负载一样。

5 电流误差变化率分析


其中
为输入直流电压,
是输出电压幅值,
是电流基准幅值,
是电感电流与输出电压之间夹角,设负载阻抗为
,阻抗角为
,阻抗角为
为功率管调制信号,当
=1调制;当
=0续流。

  HPWM控制是电流误差信号与三角载波进行交截,当电流误差变化率大于三角波的变化率时,一个周期内会发生重复交截现象,从而导致功率管开关频率增高和输出波形畸变。为了保证不发生这种现象,必须满足:

所以采用电流HPWM控制技术,开关频率不能取得过低,要满足

从上式可以看出,在一定的开关频率下,系统的电流误差放大倍数和电流反馈系数不能选得太大。

6 仿真及实验波形

在以上理论分析的基础上,基于HPWM瞬时值控制,取
的条件下给出了系统稳定性的仿真波形如图5所示。此时相角浴度
。基于此制作了一台变频变压电源,实验波形如图6图7所示。


7 结语

  采用电流HPWM控制调制方案的逆变器克服了电流滞环控制PWM调制方案开关频率不固定的缺陷,具有固定的开关频率。同时又保持了电流滞环控制PWM调制方案中电流跟踪速度快, 动态响应快,鲁棒性好等特点。由于采用了电流HPWM控制,即用电流的误差信号与三角波进行交截来控制功率开关,电感电流的降阶效果不再存在,系统变成了一个三阶系统。采用电流HPWM控制方案,桥臂之间的输出电压频谱为:基波、载波的上下奇次边频谐波。所以采用HPWM输出在谐波含量上较之双级性SPWM有优势。载波是三角波时,在功率管损耗及可靠性上较之单极性SPWM有优势;而对于载波为锯齿波时,则在谐波含量上较之单极性SPWM也有优势[4]。

参考文献

【1】 Naser M. Abdel-Rahim and John E. Quaicoe, Analysis and Design of a Multiple feedback Loop Control strategy for Single-Phase Voltage-source UPS Inverters, IEEE Trans on PE, Vol 11,NO 4 1996 532-538      
【2】 R.D.Middlebrock, Topics in Multiple-loop Regulators and Current Mode Programming,PESC85,1985,PP716-732
【3】 Jian Sun and Richard M.Bass,Modeling and Practical Design Issues for Average Current Control,APEC’99 PP980-986
【4】 R.S.Lai and K.D.T.Ngo, A PWM Method for Reduction of Switching Loss in A Full-Bridge Inverter, IEEE Trans. on PE Vol. 10, No.3, 1995,326~332
【5】 李爱文 张承慧, 现代逆变技术及应用,科学出版社,2000
来源:《电源世界》  作者:邹曙  穆…  点击:  录入:admin
收藏此页】【字体: 】【打印此文】【关闭窗口
※相关链接※
网友评论:(只显示最新10条。评论内容只代表网友观点,与本站立场无关!) 发表评论
专 题 栏 目
推 荐 图 书
热 门 文 章
热 门 下 载
热 门 电 路
论 坛 推 荐
精 彩 广 告

关于本站 - 广告服务 - 联系我们 - 版权申明 - 网站地图 - RSS订阅 - 友情链接 - -
Copyright@2004-2014 ◆电源开发网◆ All Rights Reserved