| 网站首页 | 电源技术 | 电源资料 | 电源论坛 | 电源电路 | 电源人才 | 电源供求 | 留言本站 | 繁體中文 | 
[ ] 文章搜索:
您现在的位置: 电源开发网 >> 电源技术 >> 新手入门 >> 设计研究 >> 正文
有源钳位正激变换器的功率损耗分析
http://www.dykf.com  2009-1-6  电源开发网           ★★★

Abstract:This paper represents the operations of active-clamp forward converter in detail. By analyzing the power dissipation of each operation state, the relationship between the power dissipation and the magnetizing inductance of the isolation transformer is got. It is verified theoretically that there is a non-infinite but optimal magnetizing inductance for the least dissipation and highest output efficiency of the converter.

Keyword:active-clamp power dissipation magnetizing inductance optimal

1.概述
当前,市场对高功率密度、低压/大电流DC-DC模块电源的需求与日俱增。由此推动了其相关技术的研究与发展。在适合低压/大电流应用的DC-DC变换器拓扑中,常用的有基本的BUCK或同步整流BUCK拓扑。但是由于BUCK变换器的占空比D很小,如果要求输出电压低于1V,而一般的分布式电源系统(DPS)的母线电压为12V 或48V,这样占空比将小于10%,表明有效的功率转换只发生在整个工作周期的10%时间内,其余90%时间里负载靠输出大电容提供能量,使得变换器的效率降低。采用反激变换器或正激变换器拓扑,可以增大占空比,提高效率。但反激变换器,在其反馈环路分析中,带有气隙的变压器电感会在右半平面有个零点,这就使得连续模式(CCM)下的闭环补偿十分困难。另外,由于二次侧没有输出低通滤波器,所以需要一个较大的电容。与反激变换器相比较,正激变换器输出侧虽然多一个电感,但这降低了对输出电容的要求,其构成的LC滤波器非常适合输出大电流,可以有效的抑制输出电压纹波,所以正激变换器成为低压大电流功率变换器的首选拓扑。
然而,正激变换器的一个固有缺点是功率开关管截止期间变压器必须磁复位。为了在较高频率下获得较高效率,采用有源钳位复位方法。与传统的复位方法比较,有源钳位复位电路提供了变压器的磁通复位路径,因而不需要复位绕组或是有能量损耗的RCD复位电路。不仅使变压器结构简化,而且提高了变换器的效率。
如何提高效率是我们一直努力的目标,本文将在已选的拓扑上,通过分析变换器的功率损耗,得出在一定的磁链的关系下,选择一个最优的励磁电感,可以使变换器的损耗最小,从而进一步提高效率。

2.工作原理


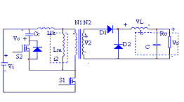
图1  有源钳位正激变换器拓扑

fig1.active-clamp forward converter


  为方便分析,二次侧的二极管看成是理想的,仅考虑有源开关S1的体二极管,其他寄生参数忽略。图1为正激变换器的有源钳位拓扑,图中变压器等效为励磁电感 ,漏感 和匝数比为n=N1/N2的理想变压器。图2给出了主开关S1和辅助开关S2的驱动信号。下面把一个开关周期分为四个模态进行分析。

图2 开关S1和S2的驱动信号

fig2. The driving signal of S 1 and S2

  开关模态1(图3)

图3 模态1等效电路

fig3. The circuit operation in state 1

  主开关S1在t0时刻导通,钳位开关S2断开,变压器初级线圈受到输入电压Vi作用,励磁电流线性增加,初级侧流过电流i1。二次侧D1导通,D2截止,电感电流 流经二次侧,功率通过变压器传输到二次侧。

  开关模态2(图4)

图4 模态2等效电路

fig4. The circuit operation in state 2

  t 1时刻S1关断,电流i2流过S2的体二极管,加在变压器一次绕组的电压变为负,D1关断,续流二极管D2导通,变压器不再向负载传输能量,直到下一个开关周期主开关再次开通。

  开关模态3(图5)

图5 模态3等效电路

fig5.The circuit operation in state 3

  t2时刻,钳位开关S2导通,S2实现了零压开通,钳位二极管自然截止,励磁电流开始经过S2 反向流动,记为i3。

  开关模态4(图6)

图6 模态4等效电路

fig6.The circuit operation in state 4

  t3时刻,钳位开关S2关断,电流i4流过S1的体二极管。

3.功率损耗分析

  S1在t0~t1时间内开通,这段时间里变压器的磁链 可表示为:

  实际上开关S1的导通时间很短,可以认为变压器的磁链
为一个恒定值。励磁电流可表示为:

  在考虑励磁电感的变压器电路模型中,励磁电感
用式(1)表示,原边电阻
用(2)式表示。

  其中Rm是铁心磁阻,h为初级绕组每匝的平均阻值,变换器的功率损耗与励磁电感
、励磁电流
、绕组的阻值有关。下面将逐一分析各工作模态功率损耗,从而得到它们之间的关系。

有源钳位正激变换器的电路参数



  在工作模态1中,输出电感电压为:

  电流纹波的峰峰值
是:
  (3)


  图7是输出电感电流iL的波形图,由图可得iL表达式
  (4)


图 7 输出电流iL的波形

fig7.The waveform of output current iL

  此模态中,变压器二次侧电流
,则二次绕组的电阻产生的功率损耗为
把式(3),式(4)代入,则可得

  显然,如果L值很大,则
,那么括号中前面一项可以忽略,PC2可简单表示为等式(5)

  假设漏感
远小于励磁电感
,可以忽略。初级侧电流i1用表示如下:
   (5)

  则模态1下的功率损耗P1为式(6),
  (6)

  上式RTI 为初级侧总电阻,用下式表示:

  
  根据(5)式,可以看出随着Lm的减小,i1(t)在Io/n的基础上增大,由于S1存在导通电阻,所以功率损耗增大。另一方面,由(1)式、(2)式可得RC1,RC2亦会增大,所以总的损耗P1增加。输出电流越大,损耗效果越明显。

  开关模态2,整个钳位电路的总电阻为:

  式中ESR为钳位电容的等效串联电阻。模态2一次侧的回路电压方程为:


  由上式可求得i2(t-t1):
 (7)

  很明显,如果钳位电路的电阻RT2非常小,而励磁电感Lm很大,使得
等式(7)可简化为:


  由上分析可得模态2的功率损耗为:

  (8)

  其中
  


  开关模态3,因为死区时间(t1 ~t2 )足够大,所以i3(t-t2) 初始值i3 (t2)为零。此模态的电压回路方程为:


  同样由上式可求得i3(t):


  模态3的功率损耗P3 为:

  式中
为此模态回路的总电阻。
  
  开关模态4时的回路方程为:

  由上式可得:

  此模态功率损耗P4为:

  此模态钳位电路的总电阻RT4为:

  根据以上讨论,可得一个开关周期变换器的功率总损耗是:


4.最优电感的确定

  已有许多文献指出,此变换器稳态工作时模态1的损耗远大于其他开关模态的损耗,为简化分析,一般用P1代替一个开关周期的功率总损耗,则模态1的损耗P1重新表示为:

  式(11)又可写为下面式(12)的形式

  现P1对Lm求微分,得式(13)

  现令式(13)等于零可求出Lm的值。P1对
  Lm求二次微分得式(14):


  根据数学理论可知,如果上面求得的Lm值使得式(14)大于零,就存在最小的功率损耗。也就是说可以根据式(13),式(14)找到最优的Lm使变换器的功率损耗最小。

  对图1所给的实验电路,设定匝数比为n=3,输入电压Vi=48V, Io=10A, Vo=3.3V, t1=1.5×10-6s,T=5×10-6s,R=0.3Ω,可以得到功率损耗与励磁电感的关系曲线如图8所示。


  由上图可看出,不同的励磁电感值对应不同的损耗值,由图所得到的最小功率损耗值及其对应的励磁电感值与根据式(12),式(13)精确计算得到的最小损耗值P1 =1.1584W,Lm =429µH基本吻合。

  以上讨论的是有源钳位正激变换器稳态时的功率损耗,是忽略了变压器漏感,不考虑主开关和钳位开关寄生电容的简化分析结果。在实际的电路中,变压器的漏感和主开关的等效寄生输出电容作用,使得励磁电流可能会产生直流偏置的问题[4],可以通过减少漏感或调节励磁电感的大小来使得励磁电流的直流偏置最小。另外,励磁电感的大小也决定了主开关管零电压软开通是否能够实现。因为当变压器励磁电感Lm减少,励磁电流足够大时,励磁电流除了提供负载电流外,剩余部分可用来帮助主开关和钳位开关的寄生电容充放电,使主开关漏源极电压有可能谐振到零,从而实现主功率开关管的零电压软开通,进而减少开通损耗。但又要考虑到软开通的代价是变压器的励磁电流和开关管导通电流峰峰值大幅增加,开关管及变压器电流应力和通态损耗明显加大。所以在变压器设计时,励磁电感的选择很关键。在设计时要综合考虑以上因素,在坚持效率优先的前提下,尽量使设计达到最优。

5.结语

  本文分析和讨论了有源钳位正激变换器稳态工作时的功率损耗,得出它与励磁电感之间的关系。表明在一定的磁链关系下,存在着一个最优的励磁电感,使得变换器的功率损耗最小,效率最优。
对于有源钳位正激变换器。本文所提出的有关励磁电感的观点和设计准则,在设计一个确定匝数比的隔离变压器时十分有用。


参考文献

[1] 刘军,詹晓东,严仰光.适合低压大电流的DC/DC变换器的研究.电力子技术,vol.36,no.3,June,2002:53-56 .
[2] 刘耀平. 有源钳位正激变换器的理论分析和设计方法.电源技术应用. 2003.5.pp.193-198
[3] 杨玉岗.《现代电力电子的磁技术》.科学出版社.2003.
[4] Xiaogao Xie, J.M. zhang, Guangyi Luo, Dezhi Jiao, Zhaoming Qian.“An improved self-driven for a resonant reset forward converter”, IEEE2003, PP.348-351. 
[5] Thilak Senanayake, Tamotsu Ninomiya ,“Forward type DC-DC converter with LC clamp for steep load transition ”,IEEE 2004 PP.1377-1383.
[6] Q.Zhao, F.Tao, Y.Hu, and Fred C.Lee, “Active-clamp DC/DC converters using  
magnetic switches”, Record of IEEE APEC’01, 2001 vol.2. pp.946-952 .
[7] 彭国平,杨旭,鱼振民.有源钳位正激变换器的分析设计.电工杂志技术. 2003.10.pp.29-33.
来源:《电源世界》  作者:吴冬梅  …  点击:  录入:admin
收藏此页】【字体: 】【打印此文】【关闭窗口
※相关链接※
网友评论:(只显示最新10条。评论内容只代表网友观点,与本站立场无关!) 发表评论
专 题 栏 目
推 荐 图 书
热 门 文 章
热 门 下 载
热 门 电 路
论 坛 推 荐
精 彩 广 告

关于本站 - 广告服务 - 联系我们 - 版权申明 - 网站地图 - RSS订阅 - 友情链接 - -
Copyright@2004-2014 ◆电源开发网◆ All Rights Reserved