不间断电源设备(UPS)
第2部分:电磁兼容性(EMC)要求
附录A
(规范性附录)
电磁发射的试验方法
这些试验目的是测量由UPS产生且通过传导和辐射方式传播的电磁辐射电平。
本附录主要关注连续性电磁发射。
根据UPS的物理尺寸和功率额定值,对实际提供的UPS,制造厂可以选择最合适的试验场所和试验布置。
某些情况,例如多模块构成的系统,唯一的解决方法是在安装现场进行评估试验。因此,下述试验装置和方法,尽可能提供一般的规范,以适合大多数UPS。
A.1 测量设备
A.1.1 测量仪器
准峰值检波器接收机和平均值检波器接收机应符合GB/T6113.1。
注:也可以使用具有其它检波特性的测量仪器,只要能证明骚扰值的测量结果是相同的。为方便起见,特别在受试设备的工作频率在工作周期内显著变化时,应该尽量使用扫频接收机或频谱分析仪。
A.1.2 人工电源网络(AMN)
测量电源端子骚扰电压应使用在GB/T6113.1第10.3规定的50Ω/50μH的人工电源网络。
人工电源网络在横跨电源的测量点提供一个规定的射频阻抗,并同时为受试设备与电源线上的环境噪声提供隔离。
A.1.3 电压探头
UPS的输出以及由于UPS输入电流额定值过大而不能使用人工电源网络测量时,应使用按GB/T6113.1第11.2的要求和图10所示的电压探头。探头依次连接在每一线和所选择的参考地(金属平板、金属管)之间测量。
探头主要由一个耦合电容器和一个电阻构成,以使电网和地之间的总阻抗至少为1500Ω。电容器或保护测量接收机防止危险电流的任何其它器件对测量准确度的影响,均应小于ldB,或可以校准。
探头的接地线要求用低阻抗连接到参考地,连接线的长度不应小于最大测量频率波长的1/10(30MHz时大于1m),另外,频率低于3MHz时,连接线长度不超过10m。
A.1.4 天线
按GB/T6113.1第14条的要求。
A.2 受试设备的布置
A.2.1 这里没有特别的规定,在某种意义上而言,UPS的构成、安装、布置和操作符合常规应用。相互联系的接口电缆/负载/器件应至少与UPS各接口、端口中的一个相连接,在实际上,每根电缆线接一个习惯使用的典型装置。
根据最初的预试验结果,对于有多路相同类型接口的UPS,可能需要增加互连电缆/负载/器件。增加到某一根电缆对辐射的影响不大于2dB时为止,但是布置选择的原理和端口的负载情况应在试验报告中说明。
A.2.2 应根据各个设备的要求确定互连电缆的类型和长度,如果电缆长度可以变化,则应选取产生最大辐射的长度。
A.2.3 如果在试验时为了达到兼容性,使用了屏蔽电缆或专用电缆,那么,在说明书中应包括建议使用这种电缆的说明。
A.2.4 超过规定长度的电缆,应在电缆的中部进行捆扎,电缆线束的长度应为0.3m~0.4m。如果由于电缆太粗或太硬,或由于试验是在用户安装现场进行等原因不能捆扎时,则超长电缆的处置应在试验报告中明确说明。
A.2.5 为了保证试验的可重复性,任何一组结果都应附有关于电缆和受试设备方位的详细说明,如有使用条件的要求,则这些条件应在文件中予以规定,例如电缆长度,电缆类型,屏蔽和接地要求,这些条件应包括在说明书中。
A.2.6 当对一个与其它设备相互配合而构成一个系统的设备进行评估时,可用其它设备代替整个系统,或者使用模拟器进行评估。无论采用何种方法,都应注意保证受试设备与系统其它部分的影响或满足A.5.5所规定的环境噪声条件的模拟器的影响一起评估,用来代替实际设备的任何模拟器应能完全地体现接口的电特性和在某些情况下的机械特性,尤其是射频(RF)信号阻抗以及电缆的构造和类型。
注:本程序要求能够评估与其它制造厂的另外一些设备组合而构成一个系统的设备。
A.2.7 对于蓄电池外置的UPS,应尽可能地使?电池包括在试验方案之中,并按说明书安装。
若不可能,或者是由包括了蓄电池的其它设施供电时,则在试验报告中应对此作出说明。
A.2.8 交流输出应接电阻负载,并且可以调节,以获得被测UPS所需承担的有功功率。
A.2.9 受试设备相对于接地平面的位置应与实际使用中情况相符合,即落地式UPS应放在接地平面或放在紧贴接地平面的绝缘地板上(如木制地板),而台式UPS应放在非金属的桌子台面上。电源电缆和信号电缆相对于接地平面的走向应等效于实际使用情况,接地平面可以是金属的。
注:附录A5.3和A.8.1分别给出了端子电压测量,场强测量的特定的接地平面的要求。
A.3 最大发射布置的确定
应在预测试中寻找相对于限值的最大发射的频率,此时,UPS处于典型运行方式,并且电缆按常规位置放置,试验布置应能代表典型系统的配置情况。
应通过检测几个有针对性的频率上的骚扰,鉴别出最高的骚扰频率,以确保所找的频率为可能的最大骚扰频率,并由此确定相关的电缆、UPS配置和运行方式。
UPS的预试验方案按图A.4到A.11。UPS和外围设备的距离按照图示,为了找到最大值,只可改变电缆的方向和位置。
在本试验程序中,台式设备的电缆只在典型布置的范围内改变方向和位置。对落地式设备,电缆应按使用者安装时那样放置,且不再作进一步调整。对落地式设备,如果电缆的安装规定不清楚,或每一次的安装可能不一样,还应改变电缆方向和位置,使之达到产生最大发射值。
端子骚扰电压和骚扰场强的最终测量按A.5、A.6和A.7分别进行。
A.4 试验时设备的工作状态
UPS应在所设计的额定工作电压和典型的负载条件运行,负载可以是实际负载,也可以是模拟负载。无论是用试验程序还是用其它的测量方法,在试验UPS时,所有对发射有影响的元器件都必须处于工作状态,以保证所测到的是整个受试系统发射。并且,对任何一种UPS运行方式都必须用这种方式来试验。
A.5 电源端子骚扰电压的测量方法
A.5.1 测量接收机
使用附录A.1.1所述的准峰值检波器接收机和平均值检波器接收机进行试验。
A.5.2 人工电源网络(AMN)
应使用附录A.1.2所描述的人工电源网络。
将试验单元和人工电源网络相连,试验单元的摆放应使其边界与人工电源网络最近的表面之间的距离为0.8m。
制造商提供的电源软线,一般应为1m长,如果超过1m,则应将其超长部分来回折叠,折叠长度不超过0.4m。
如果制造商在安装说明书中对电源电缆另有规定,则应使用长度为1m的该类型电源电缆连接试验单元和人工电源网络。
按制造商在安装说明书中的规定布置试验单元,并连接电缆。
安全所需的接地线应接到人工电源网络的参考地上,除制造商提供接地线或另有规定外,该接地线应为1m长,其走向应平行于电源线,两线间隔不超过0.1m。
由制造商规定或提供的为了连接到相同的终端作为安全接地的其它接地线(例如EMC所需的接地线)也应一并连接到人工电源网络的参考地上。
从本地广播服务区域耦合过来的传导环境噪声可能使得在某些频率无法进行测量。此时,可以在人工电源网络与供电电源之间插入一个合适的附加的射频滤波器,或在屏蔽室内测量。构成该射频滤
波器的元件应封闭在一个金属屏蔽盒内。该金属屏蔽盒直接连接到测量系统参考地上。接上附加的射频滤波器后,人工电源网络的阻抗在测量频率仍应满足要求。
例外:
UPS的额定功率值超过人工电源网络的标称值时,则允许使用符合GB/T6113.1和图A.2所示的电压探头来测量电源端子骚扰电压。
这种情况下,电源的额定电流值应至少与所安装UPS的电流额定值相等,以尽可能地与现场供电电源的阻抗相匹配。
A.5.3 接地平面
如果受试设备不接地且是非落地式设备,则应放在距离面积至少为2m×2m的水平参考接地平面或垂直参考接地平面0.4m处,并应与其它不属于该试验单元的组成部分的任何金属面或接地平面保持0.8m的距离。如果在屏蔽室内进行测量,则上述0.4m距离可以是距屏蔽室任一侧壁的距离。
落地式设备遵守相同的规定,只是应该放在一块水平金属接地板上。接触的各点应和正常使用相一致,但不能与接地平面形成金属接触,参考接地平面应至少比试验单元的边框大0.5m,且最小尺寸为2m×2m。
应用尽可能短的导体将AMN参考接地点连接到参考接地平面上,导体长宽比小于3:l,或用螺栓固定到参考接地平面上。
A.5.4 传导发射测量的设备布置
按A.2的要求布置并运行UPS,台式和落地式设备的布置按图A.4~图A.9。
台式UPS应放置在高出地平面0.8m的非金属台上,它距与水平金属接地平面相连的垂直接地平面0.4m(见A.5.3)。
设计成台式或落地式两用的设备应按台式的布置来进行试验,除非典型安装为地面放置,并采用相应的布置。
那种设计在墙壁上安装使用的设备应按台式UPS的布置来进行试验,设备的方位应与正常工作时的情况相一致(即正常安装位置)。
电源端口经电源软线与AMN连接,除非按A.5.2的例外情况在试验场地或安装现场试验。交流输出端口与一个负载箱连接。当实际使用时预定要与外部信号线连接,信号端口经信号电缆与一个阻抗稳定网络(ISN)连接。
A.5.5 传导发射的测量
如A.3所述,应找出产生相应于限值的最大发射的UPS布置、电缆配置和运行方式。
以这种布置进行测量和记录数据,发射值低于限值不超过20dB时,相对于载流电源端口和UPS通信端口限值,至少记录6个最高发射的频率点。应明确标出每一个发射的对应导线。
当规定信号端口的发射采用电流探头测量电流来代替测量电压时,它应符合GB/T6113.1第11.2的要求。
A.6 交流输出端口的测量方法(如适用)
交流输出端口接阻性负载箱,将交流输出有功功率缓慢地从零调到额定值,以找出最坏情况下的骚扰电压。
负载应是纯阻性的,以避免非正弦波带来的测量误差。
应使用GB/T6113.1所述特性和图A.2所示的电压探头来测量骚扰电压。
UPS的输出端到负载设备的骚扰电压不超过2.4.2规定的限值。
电压探头中的电容或测量接收机为防止危险电流而采用的其它保护器件对测量准确度的影响,均应小于ldB,或可以校准。
电压探头的典型连接方法如图A.6所示。连接长度应加以限制,可行的方案为长度尽可能限制在2m或对附加损耗加以校正。
相对于参考地应使用探头测量各输出端,并记录测量结果。
试验时,负载放在距离UPS0.8m的位置,负载的电缆长度为1m。
如果UPS的电源输入端是通过一个人工电源网络AMN相连,那么这个人工电源网络必须保留在线路中,以维持规定的电源阻抗值。
A.7 辐射发射的测量方法
在30MHz~1000MHz频率范围内,用准峰值检波器接收机进行测量。
进行辐射场的测量应离开受试设备的边框一定距离,受试设备的边框由一条反映受试设备简单几何构型的假想直线组成。UPS和UPS系统间所有电缆应包含的这边框内。
对A级UPS和B级UPS规定的测量距离见2.5.1。
A.7.1 测量接收机
测量接收机应符合GB/T6113.1第1篇的要求。
A.7.2 天线
天线应符合GB/T6113.1第14条的要求。
A.8 试验场地
A.8.1 试验场地
试验场地应符合GB/T6113.1第15条的要求
A.8.2 替代试验场地
某些情况下,试验可以在不完全具备A.8.1所述全部特性的替代场地进行试验,但应证明这样的替代试验场地不致使测量数据失效。图A.3是替代试验场地的例子,不符合A8.1的全部要求的接地平面是另一例子。
A.8.3 用户安装现场试验
在某些情况下,A级UPS或电流大于25A的限制销售的UPS,可能需要在用户安装现场试验。
这些测量最好在使用者房屋的边界进行。如果该边界离开受试设备不足30m,则应在距离受试设备30m处测量。
测量应按不同方位进行,按方位的测量点的数量应尽可能合理,符合实际。在相互垂直的方向至少测量4点,并且测量朝着任何有设备的方向,在该方向上可能产生有害影响。
现场的特性可能会影响测量,这种形式的兼容性测量仅限于用户安装现场试验。附加的经过型式试验和符合兼容性的UPS,可加到受试单元中,不会使测量的兼容性无效。
A.9 辐射发射的设备布置
UPS应按A.5.4的要求布置并运行,台式设备布置按图A.10,落地式设备的布置按图A.11。
台式UPS应放置在辐射发射试验场地中高出水平接地面0.8m的非金属的桌面上。
落地式UPS应直接放置在水平接地平面上,接触点与正常使用一致,但与接地平面之间需要有12mm的绝缘隔离。
被设计成台式或落地式的两用设备,应按台式的布置来进行试验,除非典型安装为地板放置,且采用相应布置。
那种设计在墙壁上安装使用的设备,应按台式UPS的布置来进行试验,设备的取向应与正常运行时一致。
A.9.1 辐射发射的测量
如A.4所述,找出相对于限值产生最大发射时的UPS布置、电缆布置和运行方式。用这种布置进行测量和记录数据。
同时监视发射频谱,改变天线高度、天线极化方向和UPS方向,以产生相对于限值的最大发射。
发射值低于限值不超过20dB时,相对于限值至少记录6个最高发射的频率点。在记录每次发射时,记录天线的极化方向。
A.9.2 在强环境信号下的测量
按GB9254中第10.6的要求。
A.10 骚扰功率的测量
从控制和管理角度看,对于B级UPS,骚扰功率的测量和限值比骚扰场强测量和限值更合适。骚扰功率的测量和限值待定。
A.11 由UPS(磁场)产生的辐射磁场骚扰的测量
(选项)
试验限值见附录B。
在10kHz~30MHz的频率范围内,测量受试设备辐射的磁场分量。
如果测量是在屏蔽室内进行,屏蔽室尺寸应使天线位置距离各壁至少1m。受试设备放在离地板1m±0.2m的接地平面上。测量在离开受试设备产生最大骚扰面距离D=3m处进行。
产生最大骚扰面的定义为:在所考虑的频带范围内,发射最大信号的那一面。使用频谱分析仪来选择该面和测量天线方位最为简单。测量距离从天线的相位中心算起。
使用如图A.1所示屏蔽环形天线进行测量,框架在一个垂直调整方向,以使其接收最大的磁场。
图A.1 测量发射骚扰的试验方案
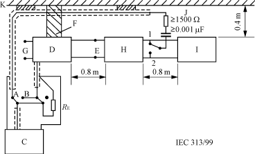
图A.2 测量电源端或UPS输出端骚扰电压的电路
注1:图形边界围绕的场地上方应无反射电磁场,该空间的水平高度和对于水平接地平面至少应比天线与受试设备最高点高3m。
注2:替代场地的适用范围见A.8.2。
图A.3 最小尺寸的替代试验场地
A:负载测量开关位置B:电源测量开关位置 C:RFI测量接收机D:人工电源网络(AMN)
E:AMN与UPS的电源连接F:接地片(长宽比最大3:1)G:输入电源连接H:UPS
I:负载J:电压探头K:参考地RE:端接电阻(50Ω)
注1:RFI的试验接地应与AMN的地可靠连接在一起;
注2:当开关在A位置时,AMN测量装置的端子上接一个适当的端接电阻;
注3:对于1级保护的UPS和/或负载,安全接地导体应与AMN的地连接在一起;
注4:UPS输出端子1和2与负载之间的距离为0.8m,其连接线长度不超过1m。
图A.4 台式设备传导发射的测量布置
图A.5 落地设备的测量布置

注1:如果垂悬的互连电缆与接地平面距离不足0.4m,应来回折叠成0.3m-0.4m长的线束,悬挂在接地平面与台面近似中间的位置。
注2:电源软线的超长部分应在其中点折叠成线束或缩短至适宜的长度。
注3:UPS与一个AMN连接。所有的AMN和ISN也可以与垂直的接地平面,或者与金属壁连接。
1)AMN和ISN与UPS之间的距离0.8m,距其它设备和其它金属面至少0.8m;
2)电源软线和信号电缆应尽量离垂直接地平面0.4m放置。
注4:外置蓄电池装置和外部连接的I/O信号电缆,应按正常使用位置放置(如可能)。那些不与辅助设备AE相连的I/O信号电缆的末端可以端接适当的终端阻抗。
如果使用电流探头,应将电流探头放在离开ISN的0.1m处。
图A.6 台式设备的传导发射试验布置

图A.7台式设备测量的布置平面图(传导发射测量)
图A.8台式设备的替代布置平面图(传导发射测量)
注1:I/O电缆的超长部分应在其中心位置折叠成0.3m~0.4m的线束。如果不可能捆扎,那么电缆应来回排成蛇形。
注2:电源软线的超长部分应在中心位置进行捆扎或缩短至适当的长度。
注3:如果为了运行的需要,那些不与外设相连的I/O信号电缆的末端可以端接适当的终端阻抗。
注4:UPS和电缆与水平接地平面之间应绝缘(距离不大于12mm)。
注5:AMN可以直接放置在水平接地平面的上面或紧贴其下面。
注6:如果使用电流探头,电流探头应放在离ISN的0.1m处。
注7:外置蓄电池(如应用)应按常规的场地布置方式放置和布线。
图A.9 落地式设备的试验布置图(传导发射测量)
注1:如果垂悬的互连电缆与接地平面距离不足0.4m,应来回折叠成0.3m~0.4m长的线束,悬挂在接地平面与台面近似中间的位置。
注2:如果为了运行的需要,那些不与外设相连的I/O信号电缆的末端可以端接适当的终端阻抗。
注3:多插座的电源盒应与金属接地平面等高,并直接搭接到接地平面上。如果使用AMN,应安装在接地平面的下面。
注4:外置蓄电池(如应用)应按常规的场地布置方式放置和布线,参见2.4.4。
注5:外围设备放置应保持0.1m距离。
注6:电源电缆应垂落至地面,不应增加连接到电源插座的电源软线的长度。
图A.10 台式设备试验布置图(辐射发射测量)
注1:I/O电缆的超长部分应在其中心位置折叠成0.3m~0.4m的线束。如果不可能捆扎,那么电缆应来回排成蛇形。
注2:电源软线的超长部分应在其中心位置进行捆扎或缩短至适当的长度。
注3:那些不与外设相连的I/O信号电缆应在中间进行捆扎,如果为了运行的需要,末端可以端接适当的终端阻抗。
注4:UPS和电缆与水平接地平面之间应绝缘(距离不大于12mm)。
注5:多插座的电源盒应与金属接地平面等高,并直接搭接到接地平面上。如果使用AMN,应安装在水平接地平板的下面。
注6:电源电缆和信号电缆应垂落至地面。
注7:外置蓄电池(如应用)应按常规的场地布置方式放置和布线,参见2.4.4。
图A.11 落地式设备试验布置图(辐射发射测量)